STMicroelectronics STEVAL-L9800 Evaluierungsboard
Das STEVAL-L9800 Evaluierungsboard von STMicroelectronics ist eine Entwicklungsplattform zur Evaluierung des achtfachen Low-Side-Treibers der Baureihe L9800, eines robusten ICs, der für die Laststeuerung bei Fahrzeugen und in der Industrie konzipiert wurde. Dieses Board von STMicroelectronics verfügt über acht unabhängige Low-Side-Kanäle und unterstützt den Antrieb von ohmschen, induktiven und kapazitiven Lasten, wie z. B. Relais, Solenoide und Leuchten. Das Board enthält die wichtigsten Diagnose- und Schutzfunktionen, einschließlich Überstrom-, Übertemperatur- und Open-Load-Erkennung, wodurch es sich hervorragend für Applikationen wie Karosseriesteuerungsmodule (BCMs), Beleuchtungssysteme und Relais- oder Aktorsteuerung eignet. Mit der SPI-Schnittstelle und Fehlerrückkopplungsfunktionen ermöglicht der STEVAL-L9800 die effiziente Entwicklung von intelligenten, fehlertoleranten Lastmanagementsystemen in komplexen Fahrzeug- und Industrieumgebungen.Merkmale
- Betriebseingangsspannung: 3 V bis 28 V
- Acht LS-Treiber bis zu 0,5 A
- Leerlaufmodus für reduzierten Stromverbrauch
- Mögliche Verkettungskonfiguration
- Zwei parallele Eingangspins mit Eingangsmapping-Funktionsumfang
- SPI-Kommunikationsschnittstelle für Steuerung und Diagnose
- Referenzdesign mit optimierter Stückliste
- L9800 in einem QFN24-Gehäuse
- 4-lagige Leiterplatte (70 mm x 55 mm)
Applikationen
- Automobil-Applikationen
- BCMs
- Außen- und Innenbeleuchtungssysteme
- Relais- und Aktorsteuerung
- Industrieautomatisierungssysteme
- Intelligente Sicherungs- und Lastmanagementsysteme
Erforderliche Ausrüstung
- 3 V bis 28 V STromversorgung mit Strombelastbarkeit von bis zu 8 A
- Lasten – LED, Relais und Magnetlampe mit einer Leistung von 12 V/0,5 A
- Oszilloskop und/oder Multimeter
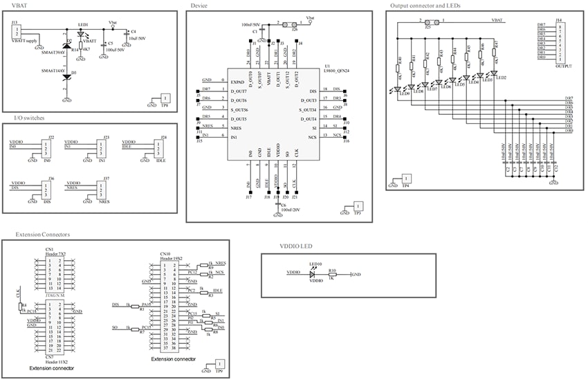
Schaltschema
Anschluss an ein beliebiges Mikrocontroller-Board
Veröffentlichungsdatum: 2025-05-13
| Aktualisiert: 2025-05-15
