STMicroelectronics STDRIVEG610n Halbbrücken Gate-Treiber
Die Halbbrücken-Gate-Treiber der Baureihe STDRIVEG610 von STMicroelectronics sind Bauteile, die für die Ansteuerung von N-Kanal-MOSFETs oder IGBTs in einer Vielzahl von Leistungsumwandlungs-Applikationen entwickelt wurden. Das Bauteil STDRIVEG610 von STMicroelectronics zeichnet sich durch eine Steuerung über einen einzelnen Eingang und durch den Bootstrap-Betrieb aus, was ein effizientes High-Side- und Low-Side-Schalten mit minimalen externen Komponenten ermöglicht. Die Bauteile unterstützen bis zu 600 V auf dem High-Side-Treiber und verfügen sowohl auf der Low-Side als auch auf der High-Side über einen Unterspannungsschutz (UVLO), um einen sicheren Betrieb zu gewährleisten. Mit einer typischen Ausbreitungsverzögerung von 50 ns und angepassten Verzögerungszeiten eignen sich die STDRIVEG610 ICs gut für Hochfrequenz- Applikationen wie Motorsteuerung Stromversorgungen und Umrichter. Das kompakte Design, die robusten Schutzfunktionen und große Betriebsspannungsbereich machen die Halbbrücken-Gate-Treiber der Baureihe STDRIVEG610 zu einer zuverlässigen Wahl für Designer, die nach effizienten und kompakten GATE-Treiber-Lösungen suchen.Merkmale
- Hochspannungsschiene von bis zu 600 V
- Überspannungsimpuls-Immunität von ±200 V/ns dV/dt
- Treiber mit getrenntem Ableitvorrichtung und Quellenpfad für optimale Ansteuerung
- Ableitvorrichtung: 2,4 A und 1,2 Ω
- 1.0 A und 3,7 Ω Quelle
- High-Side- und Low-Side-Linearregler für GATE-Ansteuerspannung von 6 V
- Eextrem schnelle High-Side-Startzeit von 300 ns
- Ausbreitungsverzögerung von 45 ns, minimaler Ausgangsimpuls von 15 ns
- Hohe (>1 MHz) Schaltfrequenz
- Eingebettete 600-V-Bootstrap-Diode
- Vollständige Unterstützung der hartenschaltenden GaN-Topologie
- UVLO-Funktion auf VCC, VBO und VLS
- Getrennte Logikschaltung und Shutdown-Pin
- Fehler-Pin für Übertemperatur- und UVLO-Meldungen
- Standby-Funktion für stromsparenden Modus
- Getrennter PGND für Ansteuerung von Kelvin-Quelle und kompatibel mit Nebenwiderständen
- Kompatibel Eingänge mit Hysterese und Pulldown: 3,3 V bis 20 V
Applikationen
- DC/DC- und Resonanzwandler (LLC, Flyback mit Active Clamp Totem Pole, …)
- PFC- und synchrone Gleichrichter-Topologien
- Akkuladegeräte und Adapter
- AC/DC-Wandler
Technische Daten
- Versorgungsspannung der Logikschaltung von 9,2 V bis 18 V
- Low-Side-Treibermasse: ±3 V
- Spannungsbereich V BOOT-OUT-Pin: 7,5 V bis 20 V
- Ausgangsspannungsbereich: -10,8 VDC bis 520 VDC
- Maximale Ausgangsspannung: 600 V
- Spannungsbereich der Eingänge der Logikschaltung: 0 V bis 20 V
- Treiber-Versorgungsspannung, Bypass-Kapazitätsbereich: 47 nF bis 220 nF
- Maximale Eingangskapazität des linearen High-Side-Treibers: 3.300 nF
- Mindestdauer des Eingangsimpulses: 50 ns
- Schaltfrequenz von maximal 2 MHz
- Thermischer Widerstand
- Widerstand Sperrschicht-zu-Umgebung: 85 °C/W, bei Montage auf einer 2s2p (4-schichtigen) FR4-Platine gemäß JESD51-7 ohne thermische Durchkontaktierung der Leiterplatte
- Widerstand Sperrschicht-zu-Umgebung: 110 °C/W, bei Montage auf einer 1s0p (1-schichtigen) FR4-Platine gemäß JESD51-3
- ESD-Bewertungen
- Human-Body-Modell gemäß ANSI/ESDA/JEDEC JS-001-2017: 2 kV
- Charged-Device-Modell gemäß ANSI/ESDA/JEDEC JS-002-2018: 1 kV
- Sperrschichttemperaturbereich von -40 °C bis +125 °C
- QFN-Gehäuse: 4 mm x 5 mm x 1 mm
Schaltschema für typische Applikation
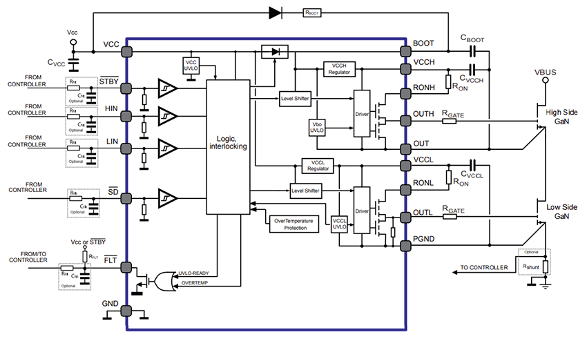
Blockdiagramm
Videos
Veröffentlichungsdatum: 2025-06-19
| Aktualisiert: 2025-08-07
