STMicroelectronics TDA7491HV Audioverstärker
STMicroelectronics TDA7491HV Audioverstärker sind Dual-Bridge-Tied-Load-(BTL)-Audioverstärker der Klasse D mit einem einzelnen Netzteil, das für LCD-Fernseher und Monitore ausgelegt ist. Funktionen umfassen Kurzschluss-Sicherung, thermischen Überlastschutz und externe Synchronisierung. Diese Audioverstärker sind mit den TDA7491P und TDA7491LP Verstärkern Pin-zu-Pin-kompatibel.Merkmale
- 20 W + 20 W Dauerausgangsleistung:
- RL = 8 Ω, THD = 10 % bei VCC = 18 V
- Großer Einzelversorgungsbetriebsbereich (5 V bis 18 V)
- Hoher Wirkungsgrad (η = 90 %)
- Vier auswählbare, feste Verstärkereinstellungen von nominell 20 dB, 26 dB, 30 dB und 32 dB
- Differentialeingang reduziert Gleichtaktrauschen
- Kein „Pop“ beim Ein-/Ausschalten
- Standby- und Stummschaltungsfunktionen
- Kurzschlusssicherung
- Thermische Überlastsicherung
- Externe Synchronisierung
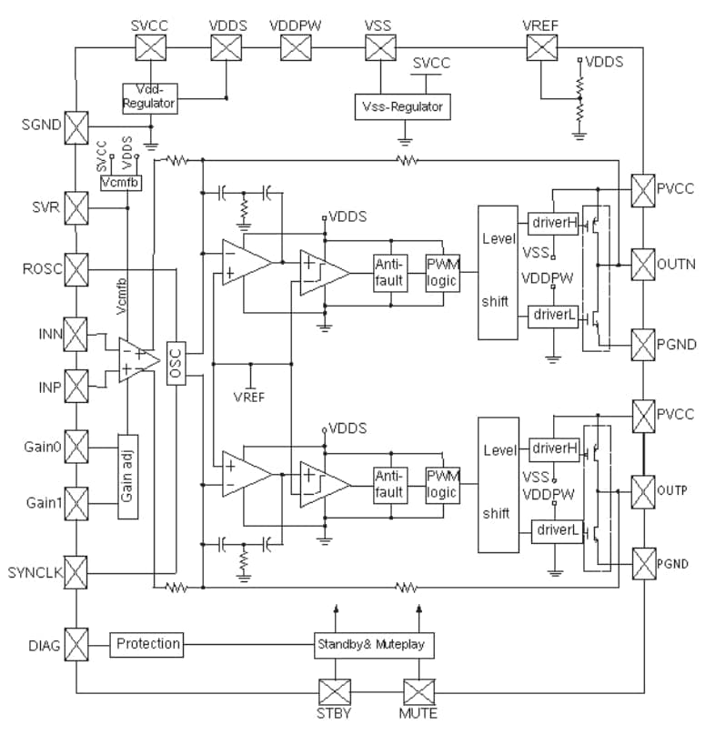
Internes Blockdiagramm (nur mit einem Kanal)
Veröffentlichungsdatum: 2018-11-20
| Aktualisiert: 2023-02-23
