STMicroelectronics STPM801 Hot-Swap-Spannungscontroller

Die STPM801 Hot-Swap-Spannungsregler von STMicroelectronics bieten einen integrierten Hot-Swap, Soft-Start und O-Ring-Schutz. Diese Schutzfunktionen verhindern Lasten von Hochspannungstransienten und begrenzen und regeln den Ausgang während eines Überspannungsereignisses. Dazu gehören Lastabwürfe durch die Steuerung des Spannungsabfalls über einen externen N-Kanal-MOSFET. Das Bauteil überwacht zusätzlich die Eingangsversorgung, um diese bei Überspannungs- und Unterspannungsbedingungen zu schützen.

Der STPM801 Hot-Swap-Spannungscontroller von STMicro verfügt über einen integrierten ideal-Dioden-Controller, der einen zweiten MOSFET (der O-Ring) ansteuert, um eine Schottky-Diode für den Eingangsverpolungsschutz und die Überbrückung der Ausgangsspannung zu ersetzen.

Der STPM801 Regler implementiert den Durchlass-Spannungsabfall über den MOSFET und reduziert Sperrstrom-Transienten bei Fehlern, beispielsweise Stromquellenausfall, Spannungsabfall oder Eingangskurzschluss. Der STPM801 unterstützt Applikationen, die die funktionalen Sicherheitsanforderungen gemäß ASIL (Aautomotive Safety Integrity Level) A-B-C-D, je nach Applikations-TSR, erfüllen müssen.

Der STPM801 ist in einem kompakten VFQFN-32-Gehäuse von 5 mm x 5 mm untergebracht, spart PCB-Platz und reduziert die Notwendigkeit für externe Komponenten. Das Bauteil arbeitet in einem großen Versorgungsspannungsbereich von 4 V bis 65 V mit einem niedrigen Ruhestrom von 25 µA, wodurch die Widerstandsfähigkeit gegen elektrische Gefahren in Fahrzeugen gewährleistet und die Batterieentladung bei ausgeschaltetem Fahrzeug minimiert wird.

Merkmale

  • AEC-Q100-qualifiziert
  • Einkanal
  • Großer Eingangsspannungsbereich: 4 V bis 65 V
  • Eingangsverpolungsschutz von -65 V
  • Zwei externe N-Kanal-MOSFET-Vorsteuerungen
    • Eine Soft-Start Funktion
    • Eine O-Ring-Funktion
  • Ruhestrom von <50 μA, wenn WAKE niedrig ist
  • Integrierte Ladungspumpe
  • Eingangsüberspannungsschutz
  • Eingangsunterspannungsschutz
  • Ausgangsüberstromschutz
  • Erfüllt die Anforderungen des AC-Rippeltests nach 16750 (50 Hz bis 25 kHz)
  • Einstellbarer Soft-Start mit externem Kondensator
  • Entwickelt gemäß ISO 26262 zur Unterstützung von ASIL-D-Anwendungen

Applikationen

  • Elektronische Zonen-/Karosserie-Steuereinheiten (ECUs)
  • Autonome Fahr-ECUs
  • Erweiterte Fahrerassistenzsysteme (FAS)
  • Infotainment-ECUs
  • Redundante Stromversorgungssysteme
  • Dual-Batterie-Einstellungen.

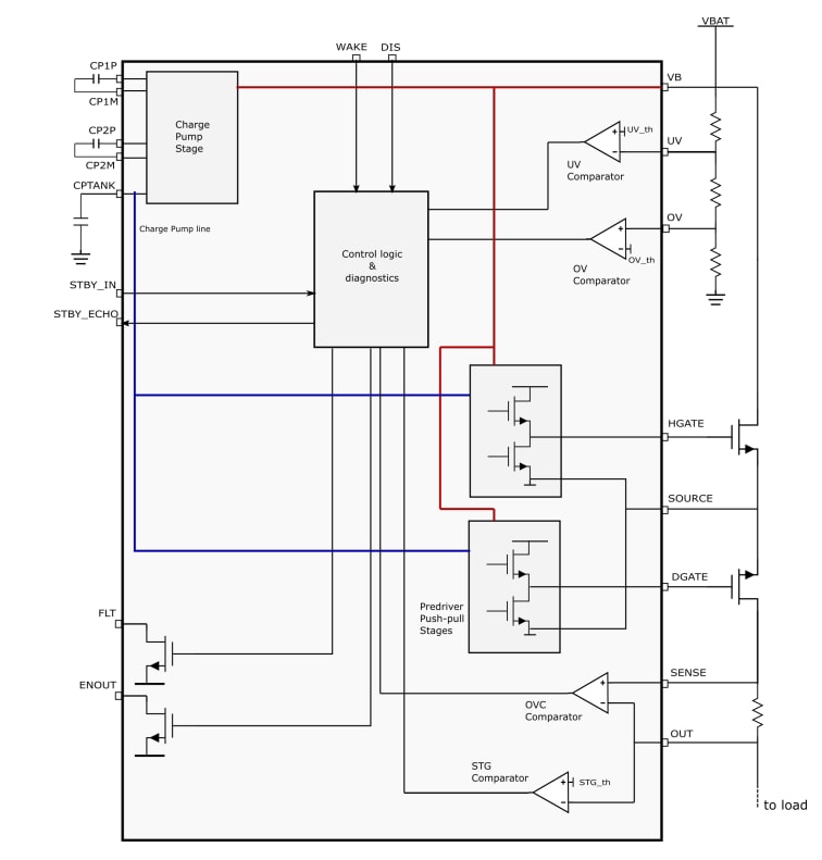
Blockdiagramm

Blockdiagramm - STMicroelectronics STPM801 Hot-Swap-Spannungscontroller
Veröffentlichungsdatum: 2023-05-11 | Aktualisiert: 2023-07-21