![]() |
STMicroelectronics TSX3702 CMOS-SpannungskomparatorenDie Micropower dualen CMOS-Spannungskomparatoren TSX3702 von STMicroelectronics sind Micropower duale CMOS-Spannungskomparatoren, die einen sehr geringen Stromverbrauch von 5μA (typ.) pro Komparator bieten. Dieses Gerät wurde als eine Verbesserung des TS3702 konzipiert: es verfügt über eine geringere Stromaufnahme, eine bessere Eingangs-Offset-Spannung sowie eine verbesserte ESD-Toleranz. Der TSX3702 ist vollständig über einen breiten Temperaturbereich spezifiziert und wird für das SO8-Gehäuse für die Automobilindustrie empfohlen. Er ist vollständig kompatibel mit dem CMOS-Komparator TS3702 und ist mit ähnlichen Gehäusen erhältlich. Für den TSX3702 sind auch neue kleine Gehäuse (MiniSO8 und DFN8 2x2mm) erhältlich, so dass er noch besser in Anwendungen integrierbar ist. |
|
Merkmale
Anwendungsbereiche |
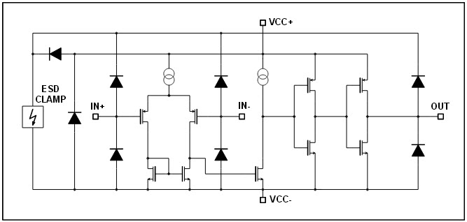
Schaltbild![]() |
![]() |
Veröffentlichungsdatum: 2014-12-15
| Aktualisiert: 2022-03-21





