STMicroelectronics Teseo-LIV4F Winziges GNSS-Dual-Band-Modul
Die kleinen Teseo-LIV4F GNSS-Dualband-Module von STMicroelectronics sind benutzerfreundliche eigenständige GNSS-Module (Global Navigation Satellite System, GNSS) mit geringem Stromverbrauch. Diese Module integrieren den eigenständigen Teseo IV Einzelchip-Positionsempfänger-IC, der gleichzeitig auf mehreren Konstellationen (GPS/Galilei/Glonass/BeiDou/QZSS) betrieben werden kann. Die Teseo-LIV4F-Module bieten einen On-Board-TCXO (Temperature Compensated Crystal Oscillator), TTFF (Time To First Fix) und einen dedizierten RTC-Oszillator (Real Time Clock). Diese Teseo-LIV4F-Module sind in einer kompakten Gehäusegröße von 9,7 mm x 10,1 mm erhältlich. Zu den typischen Applikationen gehören Versicherungen, Warenverfolgung, Drohnen, Mautsysteme, Diebstahlsicherung, Personen- und Haustierortung, Fahrzeugverfolgung, Notrufe, Flottenmanagement, Diagnose und öffentlicher Verkehr.Merkmale
- Gleichzeitige Mehrfachkonstellation und Multiband-GNSS (GPS/Galileo/Glonass/BeiDou/QZSS)
- IRNSS-Konstellation bereit
- Nachverfolgungsempfindlichkeit: -162 dBm
- Positionierungsgenauigkeit im Submeterbereich
- Integrierter Flash-Speicher
- Firmware-Upgrade
- Kostenlose firmware-Konfiguration
- 3 V bis 3,63 VVCC/VBAT-Versorgungsspannungsbereich
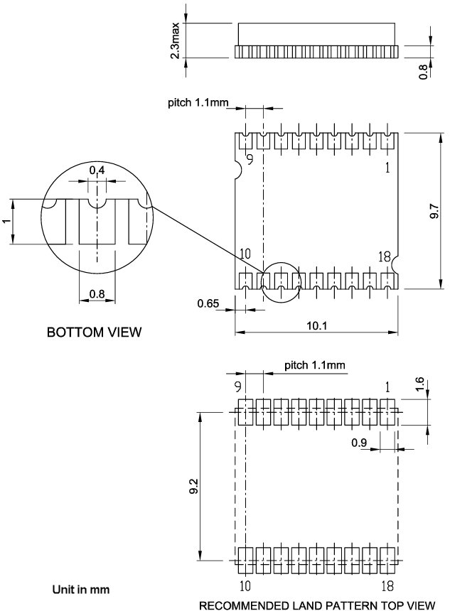
- 9,7 mm x 10,1 mm Winziges LCC-18-pin-Gehäuse
- Betriebstemperaturbereich: -40 °C bis +85 °C
- Stromverbrauch: 10μA Standby und 48,8 mA GNSS L1- und L5 Tracking
Applikationen
- Versicherungs-Black-Boxen
- Waren-Verfolgung
- Drohnen
- Mautsysteme
- Anti-Diebstahl-Systeme
- Menschen- und Tierortung
- Ortungssysteme für Fahrzeuge
- Notrufe
- Flottenmanagement
- Fahrzeuggemeinschaften
- Diagnosefunktionen
- Öffentlicher Personenverkehr
Modul Blockschaltschema
Maßbild
Videos
Veröffentlichungsdatum: 2023-05-09
| Aktualisiert: 2024-05-15
