STMicroelectronics STSPIN32F025x 250-V-Dreiphasen-Controller

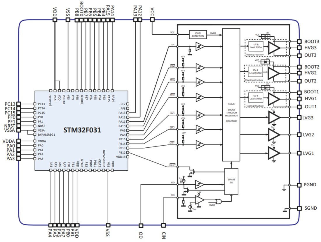
Der STMicroelectronics STSPIN32F025x 250-V-Dreiphasen-Controller ist eine Lösung mit extrem hoher Integration für den Antrieb von Dreiphasen-Applikationen. Diese Integration hilft Entwicklern, die PCB-Fläche und die Gesamtstückliste zu reduzieren. Der STSPIN32F025x enthält einen STM32F031x6x7 MCU, der über eine ARM® Cortex®-M0-32-Bit-CPU und einen dreifachen 250-V-Halbbrücken-Gate-Treiber verfügt. Der Halbbrücken-Gate-Treiber kann n-Kanal-Leistungs-MOSFETs oder IGBTs ansteuern. Ein Komparator mit erweiterter SmartSD-Funktion ist integriert, um einen schnellen und wirksamen Schutz gegen Überlast und Überstrom zu gewährleisten. Die Hochspannungs-Bootstrap-Dioden sowie der Anti-Querstromleitungs-, Totzeit- und UVLO-Schutz auf den unteren sowie oberen Antriebsbereichen sind ebenfalls integriert. Diese Funktionen verhindern, dass die Leistungsschalter in einem niedrigen Wirkungsgrad oder unter gefährlichen Bedingungen betrieben werden. Angepasste Verzögerungen zwischen den Low-Side- und High-Side-Bereichen verhindern eine Tastverhältnis-Verzerrung und ermöglichen den Betrieb bei hohen Frequenzen. Der integrierte MCU ermöglicht eine FOC-, sensorlose 6-Schritt- und weitere fortschrittliche Antriebsalgorithmen, einschließlich des Drehzahl-Regelkreises.

Merkmale

  • Dreiphasen-Gate-Treiber
    • Hochspannungsschiene von bis zu 250 V
    • Treiberstrombelastbarkeit
      • Quellen-/Senkenstrom: 200/350 mA (STSPIN32F0251)
      • Quellen-/Senkenstrom: 1/0 A/85 A (STSPIN32F0252)
    • dV/dt-Transientenimmunität: ±50 V/ns
    • Gate-Ansteuerspannungsbereich: 9 V bis 20 V
  • ARM® Cortex®-M0-32-Bit-Core
    • Taktfrequenz von bis zu 48 MHz
    • 4-Kbyte-SRAM mit HW-Parität
    • 32-Kbyte-Flash-Speicher mit Option-Bytes für Schreib-/Ausleseschutz
  • 21 Universal-I/O-Anschlüsse (GPIO)
  • 6 Universal-Timer
  • 12-Bit-ADC-Wandler (bis zu 10 Kanäle)
  • I2C-, USART- und SPI-Schnittstellen
  • Angepasste Laufzeitverzögerung für alle Kanäle
  • Integrierte Bootstrap-Dioden
  • Komparator für einen schnellen Überstromschutz
  • UVLO-, Verriegelungs- und Totzeit-Funktionen
  • Smart-Abschaltfunktion (smartSD)
  • Standby-Modus für geringen Stromverbrauch
  • On-Chip-Debug-Unterstützung über SWD
  • Erweiterter Temperaturbereich: -40 °C bis +125 °C

Applikationen

  • Batteriebetriebene und mit 110 VAC versorgte Elektro- und Gartenwerkzeuge
  • Industrielüfter und Pumpen
  • Haushaltsgeräte
  • Industrie- und Hausautomatisierung

Blockdiagramm

Blockdiagramm - STMicroelectronics STSPIN32F025x 250-V-Dreiphasen-Controller

Videos

Veröffentlichungsdatum: 2019-10-28 | Aktualisiert: 2024-02-23