STMicroelectronics STEVAL-SCR001V1 Evaluierungsboard
Das STMicroelectronics STEVAL-SCR001V1 ist ein kostengünstiges Evaluierungsboard für das Testen von Einschaltstrombegrenzungslösungen von ST. Das STEVAL-SCR001V1 Evaluierungsboard bietet eine kompakte und zuverlässige Alternative zu Relais, um Einschaltstrombegrenzungswiderstände in Stromwandlern zu umgehen. Dieses STEVAL-SCR001V1 Board besteht aus einer Antriebsschaltung, die auf die AC-Leitung selbstsynchronisiert wurde. Das Evaluierungsboard ermöglicht einen niedrigen Stromverbrauch im Gate-Drive und keine SCR-Sperrverluste in einem Impuls-Betriebsmodus. Dieses STEVAL-SCR001V1 Evaluierungsboard eignet sich für Applikationen mit einem Spitzenstrom von bis zu 5 A (bei 60 °C Umgebungstemperatur).Merkmale
- Zwei Hochtemperatur-Thyristoren (SCR) zur Umgehung des Einschaltwiderstands
- Kompakte 26 mm x 26 mm (≈ 1 Quadratzoll) SMD-Lösung
- 2 Niederspannungs-Transistoren und 7 Widerstände (kein Mikrocontroller) einfache Treiberschaltung
- Erfordert eine unregulierte Energieversorgung (12 V (typisch) erzeugt von einer Sekundärwicklung
- Kompatibel mit PFC- und Flyback-Wandler
- Geeignet für Applikationen von 50 W bis zu 800 W (230 VRMS, TAMB = 60 °C)
- 90VAC bis 265 VAC Eingangsspannungsbereich
- Eingangsfrequenz: 50/60 Hz
- Robust und widerstandsfähig:
- 2 kV IEC 61000-4-5
- 2,5 kV IEC 61000-4-4
- Lösung mit geringem EMI-Rauschen (EN55014)
- RoHS-konform
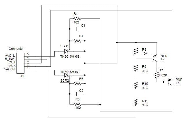
STEVAL-SCR001V1 Schaltplan
Veröffentlichungsdatum: 2018-04-02
| Aktualisiert: 2023-02-01
