STMicroelectronics STEVAL-PMIC1K1 Evaluierungsboard
Das STMicroelectronics STEVAL-PMIC1K1 Evaluierungsboard ist zur Evaluierung des STPMIC1x Leistungsmanagement-ICs für Mikroprozessoreinheiten ausgelegt. Dieses Evaluierungsboard enthält einen USB-Dongle, der einen I2C-Zugang zu den STPMIC1 Konfigurationsregistern bietet und die Einstellung weiterer Parameter ermöglicht. Das STEVAL-PMIC1K1 Evaluierungsboard wird mit Stiftleisten-Steckverbindern für den externen Zugriff auf die Embedded-Regler und -Schalter im Bauteil geliefert. Dieses Evaluierungsboard verfügt außerdem über ein internes Routing über Steckbrücken, das alle physikalischen Konfigurationsanforderungen erfüllt.Merkmale
- Evaluierungsboard für STPMIC1x PMICs
- Enthält Stiftleisten-Steckverbinder
- Interne Routing-Steckbrücken
- Programmierbare Spannungsausgänge und Schutzparameter
- Programmierbare Einschalt- und Ausschalt-Sequenzen des Wandlers
- I2C-Steuerung und Speichern von nichtflüchtiger Speicherkonfiguration
- Eingangsspannungsversorgungsbereich: 3,1 V bis 5 V
- Einzelbauteil-MPU-Versorgungslösung, die Folgendes integriert:
- 5 LDOs
- 5 DC/DC-Wandler mit hohem Wirkungsgrad
- 1 Anschluss
- 1 Spannungsreferenz für DDR-Speicher
- 2 Leistungsschalter
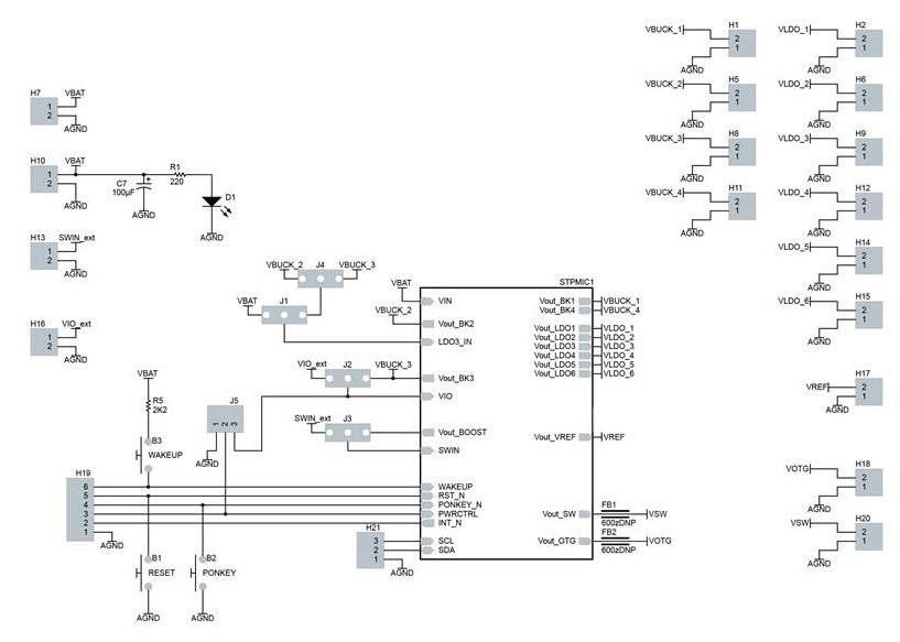
Schaltplan-Diagramm
Weitere Ressourcen
Veröffentlichungsdatum: 2019-12-15
| Aktualisiert: 2024-02-09
