STMicroelectronics STEVAL-MKI224V1 LPS22DF Adapterboard

Das STEVAL-MKI224V1 LPS22DF Adapterboard von STMicroelectronics ist so konfiguriert, dass es den Betrieb der LPS22DF MEMS-Bausteine evaluiert. Das STEVAL-MKI224V1 ist eine effektive Lösung für schnelles Systemprototyping und Geräteevaluierung direkt in einer Applikation.

Das Adapterboard STEVAL-MKI224V1 LPS22DF von STM kann in einen DIL24-Standardsockel gesteckt werden und bietet die vollständige LPS22DF-Pinbelegung. Das Board ist einsatzbereit mit den erforderlichen Entkopplungskondensatoren auf der VDD -Stromversorgungsleitung.

Das Adapterboard wird von den STEVAL-MKI109V3-Motherboards unterstützt, die einen leistungsstarken 32-Bit-Mikrocontroller enthalten, der als Brücke zwischen dem Sensor und einem PC fungiert. Die Benutzer können zwischen einer herunterladbaren grafischen Benutzeroberfläche (Unico-GUI) und speziellen Software-Routinen für kundenspezifische Applikationen wählen. Idealerweise wird das STEVAL-MKI224V1-Adapterboard mit einem X-NUCLEO-IKS01A3-Erweiterungsboard über Unicleo-GUI verbunden.

Merkmale

Übersicht

STMicroelectronics STEVAL-MKI224V1 LPS22DF Adapterboard

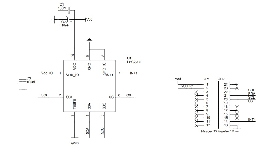
Schaltplan

Schaltplan - STMicroelectronics STEVAL-MKI224V1 LPS22DF Adapterboard
Veröffentlichungsdatum: 2022-03-11 | Aktualisiert: 2024-04-26