STMicroelectronics STEVAL-MKI219V1 Adapterboard
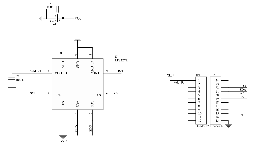
Das STEVAL-MKI219V1 Adapter Board von STMicroelectronics ist eine Demonstrations- und Entwicklungsplattform für den LPS22CH High-Performance MEMS Nano-Drucksensor. Das STEVAL-MKI219V1 Adapterboard bietet eine effektive Lösung für ein schnelles System-Prototyping und eine schnelle Bauteil-Evaluierung direkt innerhalb der benutzereigenen Applikation. Die STEVAL-MKI219V1 Stecker lassen sich direkt in einen DIL-24-Standardsockel stecken.Das STEVAL-MKI219V1 Adapterboard von STM bietet die vollständige LPS22CH-Pinbelegung und wird einsatzbereit mit den erforderlichen Entkopplungskondensatoren auf der VDD-Spannungsversorgungsleitung geliefert.
Das Adapterboard wird vom STEVAL-MKI109V3 Motherboard mit einem leistungsstarken 32-Bit-Mikrocontroller unterstützt, der als Brücke zwischen dem Sensor und einem PC fungiert. Eine herunterladbare grafische Benutzeroberfläche (UnicoGUI) oder dedizierte Software-Routinen für benutzerangepasste Applikationen vom PC können verwendet werden.
Merkmale
- Vollständige LPS22CH-Pinbelegung für einen DIL-24-Standardsockel
- Vollständig kompatibel mit dem STEVAL-MKI109V3 Motherboard
- RoHS-konform
Schaltplan
Veröffentlichungsdatum: 2021-02-26
| Aktualisiert: 2022-04-19
