STMicroelectronics STEVAL-MKI209V1K Evaluierungskit
Das STMicroelectronics STEVAL-MKI209V1K Evaluierungskit enthält einen IIS2ICLX Embedded-Neigungsmessersensor, der über ein Flachkabel mit dem STEVAL-MKIGIBV2 Adapterboard verbunden ist. Das Bauteil ist dann mit dem STEVAL-MKI109V3 Motherboard kompatibel.Der IIS2ICLX) Sensor ist genau in der Mitte des Boards angelötet und ein doppelseitiger Klebstoff wird zur Verfügung gestellt, um die Montage des Boards auf Ausrüstungen, die für die Vibrationsanalyse ausgelegt sind, zu ermöglichen. Das Board kann zusätzlich mit den Löchern, die sich in jeder Ecke der PCB befinden, montiert werden.
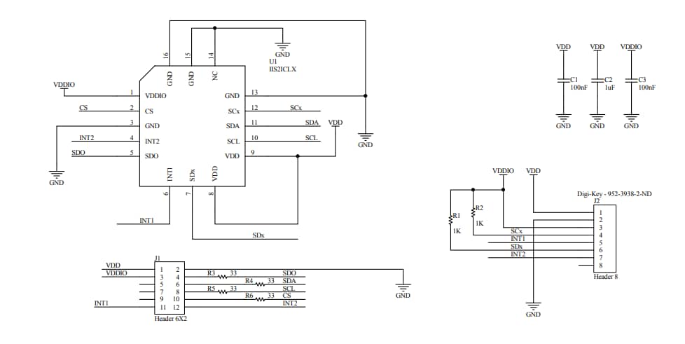
Das STEVAL-MKI209V1K Evaluierungskit von STM wird mit der vollständigen IIS2ICLX-Pinbelegung geliefert und ist mit den erforderlichen Entkopplungskondensatoren auf der VDD-Stromversorgungsleitung einsatzbereit.
Das Adapterboard wird vom STEVAL-MKI109V3 Motherboard mit einem leistungsstarken 32-Bit-Mikrocontroller unterstützt, der als Brücke zwischen dem Sensor und einem PC funktioniert. Diese Verbindung ermöglicht dann den Einsatz der herunterladbaren grafischen Benutzeroberfläche (Unico-GUI) oder dedizierter Software-Routinen für benutzerangepasste Applikationen.
Applikationen
- IoT für Smart Things
Schaltplan
