STMicroelectronics STEVAL-MKI202V1K Temperatursonden-Kit
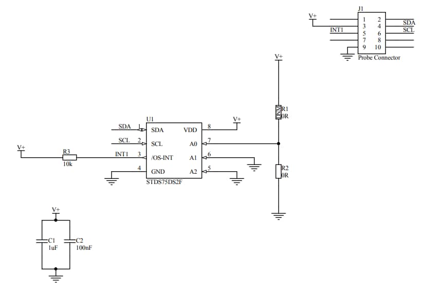
Das STMicroelectronics STEVAL-MKI202V1K Temperatursonden-Kit enthält eine Sonde mit einem STDS75 Temperatursensor, die über ein Flachkabel mit dem STEVAL-MKIGIBV1 Adapterboard verbunden ist. Das Board kann sich mit dem STEVAL-MKI109V3 verbinden. Das Bauteil kann aufgrund seiner kleinen Gehäuseabmessungen auf eine sehr dünne Sonde montiert werden. Dies ermöglicht dem Bauteil die Aufzeichnung von Temperaturwerten, die nicht durch die Wärme von anderen elektronischen Komponenten oder Boards beeinflusst werden.Merkmale
- Benutzerfreundliches STDS75-Board
- Vollständige STDS75-Pinbelegung für einen DIL24-Standardsockel
- Vollständig kompatibel mit den STEVAL-MKI109V3 Motherboards
- RoHS-konform
- WEEE-konform
Schaltplan
Veröffentlichungsdatum: 2019-04-09
| Aktualisiert: 2024-02-16
