STMicroelectronics STEVAL-MKI175V1 LIS2DE12 Adapter-Board
STMicroelectronics STEVAL-MKI175V1 LIS2DH Adapter-Board wurde für die Evaluierung von LIS2DE12-Mikroelektromechaniksystemen (MEMS) entwickelt. Das Board bietet eine effektive Lösung für schnelles System-Prototyping und zur Bewertung des Bauelements direkt innerhalb der Applikation. Das STEVAL-MKI175V1 Board kann an einen Standard-DIL24-Sockel angeschlossen werden. Dieses Adapter-Board bietet die vollständige LIS2DE12 -Pinbelegung und wird bereits gebrauchsfertig mit den erforderlichen Entkopplungskondensatoren auf der VDD-Spannungsversorgungsleitung geliefert.Merkmale
- Vollständige LIS2DE12-Pinbelegung für Standard-LIL24-Sockel
- Voll kompatibel mit den Motherboards STEVAL-MKI109V2 und STEVAL-MKI109V3
- RoHS-konform
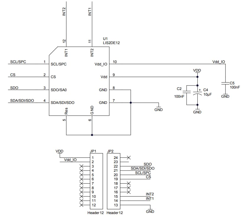
STEVAL-MKI175V1 Schaltplan-Diagramm
Veröffentlichungsdatum: 2018-09-12
| Aktualisiert: 2023-02-20
