STMicroelectronics STEVAL-MKI174V1 LIS2DS12 Adapter-Board

STMicroelectronics STEVAL-MKI174V1 LIS2DS12 Adapter-Board wurde für die Evaluierung von LIS2DS12-Mikroelektromechaniksystemen (MEMS) entwickelt. Dieses Adapter-Board kann in eine Standard-DIL24-Buchse eingesteckt werden. Das STEVAL-MKI174V1 Adapter-Board bietet die vollständige LIS2DS12-Pinbelegung und wird gebrauchsfertig, mit den erforderlichen Entkopplungskondensatoren auf der VDD-Stromleitung geliefert.

Merkmale

  • Vollständige LIS2DS12-Pinbelegung für Standard-DIL24-Sockel
  • Vollständig kompatibel mit dem STEVAL-MKI109V3 Motherboard
  • RoHS-konform

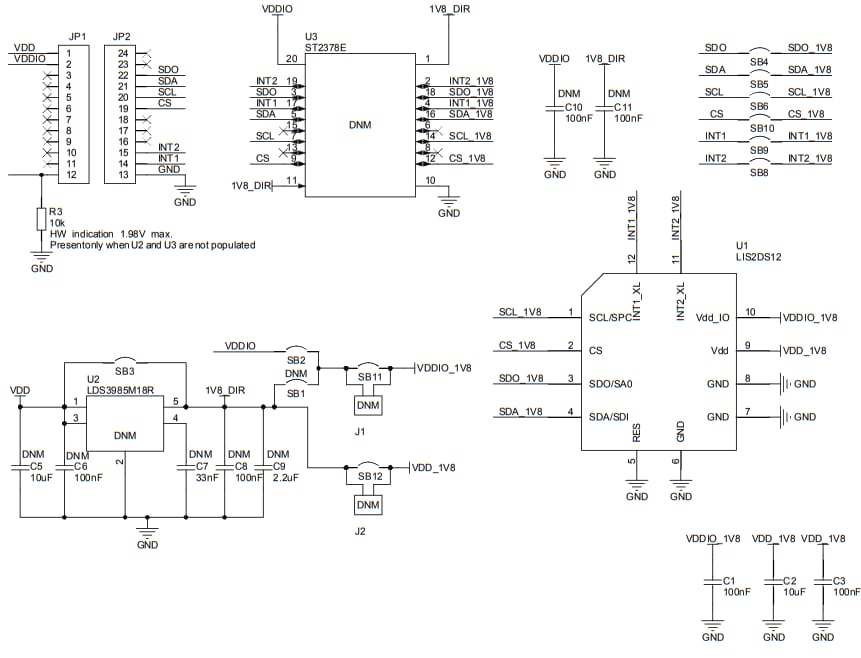
STEVAL-MKI174V1 Schaltplan-Diagramm

Schaltplan - STMicroelectronics STEVAL-MKI174V1 LIS2DS12 Adapter-Board
Veröffentlichungsdatum: 2018-09-11 | Aktualisiert: 2023-02-20