STMicroelectronics STEVAL-ISA183V1 Evaluierungsboard
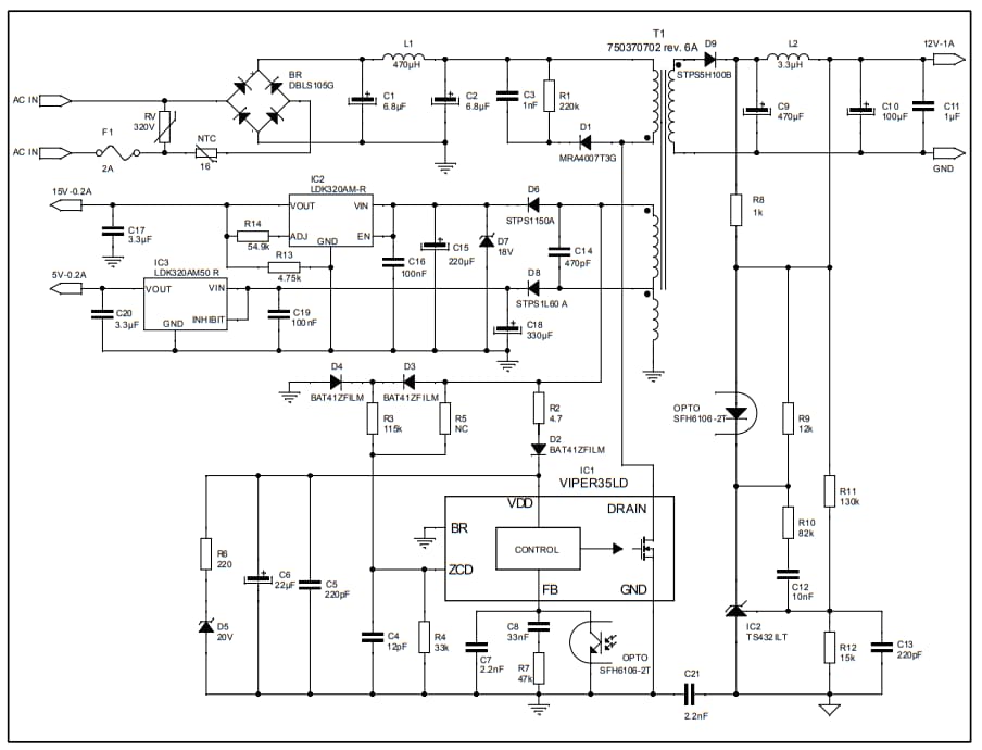
Das STMicroelectronics STEVAL-ISA183V1 Evaluierungsboard verwendet eine dreifache 16W-Ausgangsstromversorgung in quasiresonanter Flyback-Topologie, die als Hilfs-PSU für Klimaanlagen ausgelegt ist. Das STEVAL-ISA183V1 verwendet den VIPer35LD Hochspannungswandler der VIPerPlus-Produktfamilie. Der Wandler integriert einen robusten 800V-Leistungs-MOSFET mit einer quasiresonanten PWM-Strommodussteuerung.Technische Daten
- Dreifache Ausgangsspannungen:
- 12 V/1 A (isoliert), 15 V/200 mA (nicht-isoliert) und 5 V/200 mA (nicht-isoliert)
- Hohe Leistung bei niedrigen Lastbedingungen:
- <50 mW bei Nulllast-Zustand
- Eingangsleistung bei minimaler operativer Ausgangsleistung (0,91 W) von <1,5 W
- 175 VAC bis 275 VAC Netzeingangsspannungsbereich
- Wirkungsgrad bei voller Last: >81 %
- EN55022-Klasse-B EMI
- RoHS-konform
STEVAL-ISA183V1 Schaltplan
Veröffentlichungsdatum: 2017-06-16
| Aktualisiert: 2022-06-13
