STMicroelectronics STDRIVE101 Dreifacher Halbbrücken-Gate-Treiber

Der STMicroelectronics   STDRIVE101 Triple-Halbbrücken-Gate-Treiber   ist ein Niederspannungs-Gate-Treiber, der sich für den Antrieb von bürstenlosen Dreiphasen-Motoren eignet. Der STDRIVE101 ist ein    Einzelchip mit drei Halbbrücken-Gate-Treibern für n-Kanal-Leistungs-MOSFETs. Jeder Treiber verfügt über eine Strombelastbarkeit von 600 mA (Senke/Quelle). Er enthält einen Low-Drop-Linearregler, der die Versorgungsspannung für sowohl Low-Side- als auch High-Side-Gate-Treiber über eine Bootstrap-Schaltung erzeugt. Das Bauteil bietet eine Unterspannungssperre (UVLO) auf sowohl Low-Side- als auch High-Side-Bereichen, wodurch verhindert wird, dass die Leistungsschalter in einem niedrigen Wirkungsgrad oder unter gefährlichen Bedingungen betrieben werden. 

Merkmale

  • Große Betriebsspannung von 5,5 V bis 75,0 V
  • 600 mA Senken-/Quellstrom-Fähigkeit
  • 3,3 V und 5,0 V Steuerlogik
  • Zwei Eingangsstrategien
    • ENx/INx mit einstellbarer Totzeit-Generierung
    • INHx/INLx mit Verriegelung
  • Angepasste Laufzeitverzögerung für alle Kanäle
  • Sehr kurze Laufzeitverzögerung von 40 ns
  • Integrierte Bootstrap-Dioden
  • 12 V LDO-Linearregler (50 mA max.)
  • Eingebettete VDS -Überwachung für jeden externen MOSFET
  • Überstrom-Komparator
  • UVLO- und Übertemperaturschutz
  • Standby-Modus für einen Betrieb mit geringem Stromverbrauch
  • Betriebstemperaturbereich: -40 °C bis +125 °C
  • VFQFPN24-Gehäuse von 4 mm x 4 mm

Applikationen

  • Heimautomatisierung
  • Haushaltsgeräte
  • E-Bikes
  • Elektrowerkzeuge
  • Lüfter und Pumpen
  • Industrieautomatisierung
  • Textilmaschinen
  • Spiele und Konsolen

Videos

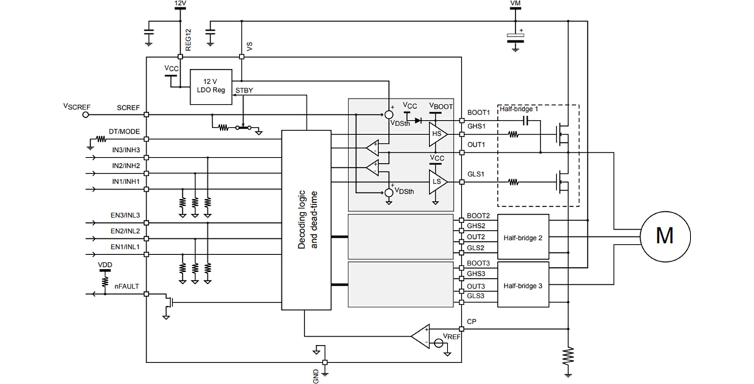
Blockdiagramm

Blockdiagramm - STMicroelectronics STDRIVE101 Dreifacher Halbbrücken-Gate-Treiber

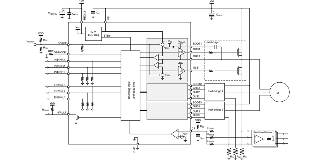
Typische Applikations-Schaltung

Applikations-Schaltungsdiagramm - STMicroelectronics STDRIVE101 Dreifacher Halbbrücken-Gate-Treiber
Veröffentlichungsdatum: 2020-11-13 | Aktualisiert: 2024-12-30