STMicroelectronics ST-ONE Digital-Controller

Die ST-ONE Digitalcontroller von STMicroelectronics  kombinieren einen ARM Cortex-M0+-Core, einen offline programmierbaren Controller und einen USB PD PHY in einem einzigen Gehäuse. Das System  ist zur Steuerung von nicht-komplementären ZVS-Sperrwandlern mit aktiver Klemme ausgelegt. Dadurch werden Akkuladegeräte und Adapter mit hoher Leistungsdichte und einer USB-PD-Schnittstelle erzeugt.  Die Bauteile enthalten einen Flyback-Controller mit aktiver Klemme und seine HV-Inbetriebnahme auf der Primärseite. Darüber hinaus enthält das Bauteil einen Mikrocontroller und die gesamte Peripherie, die zur Steuerung der Umwandlung und der USB-PD-Kommunikation auf der Sekundärseite erforderlich sind. Die beiden Seiten werden über einen galvanisch getrennten Embedded-Dual-Kommunikationskanal verbunden. Die ST-ONE Digital-Controller von StMicroelectronics  sind in einem kompakten SSOP-36-Gehäuse untergebracht, das sich hervorragend für platzbeschränkte Applikationen eignet.

 Die ST-ONEHP Bauteile sind speziell für die Steuerung von USB-PD 3.1 EPR-konformen Ladegeräten und Adaptern mit hoher Leistungsdichte ausgelegt. Diese Digital-Controller sind mit Firmware vorgeladen, die sowohl die Leistungsumwandlung als auch die EPR-Kommunikationsprotokolle USB-PD 3.1 verarbeitet.

Merkmale

  • Die nicht-komplementäre Flyback-Topologie mit aktiver Klemme ermöglicht eine hohe Leistung (über 65 W) mit einem höheren Wirkungsgrad in Bezug auf das QR-Flyback
  • Hochleistung
  • Der Hochfrequenzbetrieb zusammen mit der GaN-FET-Nutzung ermöglicht eine kleinere Größe für magnetische Bauelemente
  • Geringes Gewicht und kleine Größe
  • Das hohe Maß an Integration reduziert die gesamte BOM
  • Der Cortex-M0+-Core mit einem Embedded-Flash von 64 KB ermöglicht die Anpassung des USB-PD-Protokolls und der Leistungsumwandlungsstufe
  • Einfache Anpassung
  • Das ST-ONE wird mit einer USB-PD 3.1 PPS-zertifizierten Firmware geliefert, die im Flash-Speicher vorgeladen und eine einsatzbereite Lösung für Standardapplikationen ist
  • SSOP-36-Gehäuse

Applikationen

  • USB-PD-Ladegeräte und Adapter bis zu 100 W
  • Smartphones
  • Tablet-PCs
  • Laptops
  • Handheld-Geräte

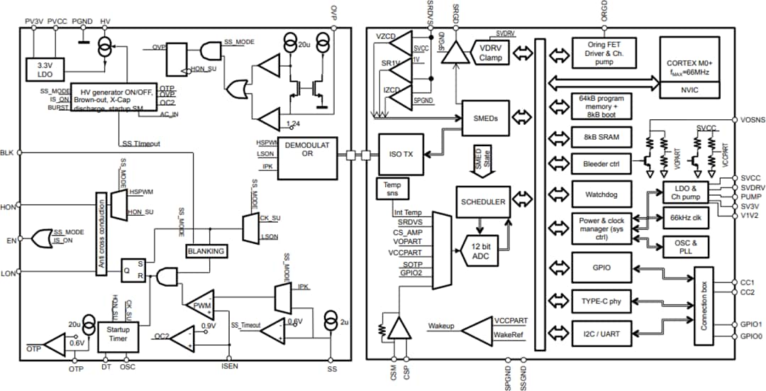
Blockdiagramm

Blockdiagramm - STMicroelectronics ST-ONE Digital-Controller

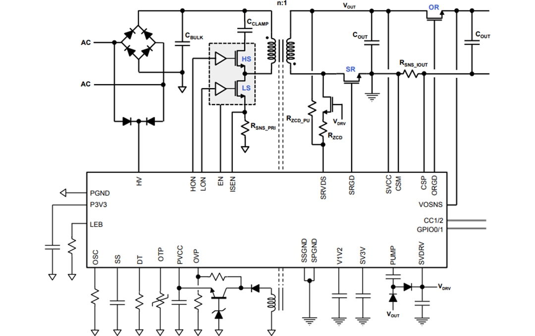
Typische Applikationen – Diagramm

Applikations-Schaltungsdiagramm - STMicroelectronics ST-ONE Digital-Controller

Gehäuseabmessungen

STMicroelectronics ST-ONE Digital-Controller
Veröffentlichungsdatum: 2022-06-02 | Aktualisiert: 2024-01-31