STMicroelectronics S2-LPCBQTR Sub-1-GHz-Transceiver

Der S2-LPCBQTR Sub-1-GHz-Transceiver von STMicroelectronics ist ein leistungsstarker, extrem stromsparender HF-Transceiver, der für den Betrieb im Frequenzbereich zu 452 MHz 527 MHz ausgelegt ist. Dieser S2-LPCBQTR Transceiver unterstützt 2(G)FSK-, 4(G)FSK-, OOK- und ASK-Modulations-Schemata. Der S2-LPCBQTR Transceiver verfügt über eine programmierbare Luftdatenrate von 0,1 kbps bis 500 kbps, ein HF-Link-Budget von mehr als 145 db, einen programmierbaren RX-Digitalfilter und einen extrem geringen Stromverbrauch. Dieser S2-LPCBQTR Transceiver eignet sich für die Verwendung in Systemen mit Kanalabständen bis hinunter auf 1 KHz und ermöglicht somit einen Schmalband-Betrieb. Zu den typischen Applikationen gehören Sensoren zur Cloud, intelligente Stromzähler, Heim-Energie-Verwaltungssysteme, drahtlose Alarmsysteme, Smart-Home, Gebäudeautomatisierung und Smart-Beleuchtungssysteme.

Merkmale

  • Frequenzbänder:
    • 452 MHz bis 527 MHz 
    • 904 MHz bis 1.055 MHz
  • Modulationsschemas:
    • 2(G)FSK und 4(G)FSK
    • OOK und ASK
  • Sendedatenrate von 0,1 kbps bis 500 kbps
  • Extrem geringer Stromverbrauch:
    • 7 mA RX
    • 10 mA TX bei +10 dBm
  • Bis hinunter zu -130 dBm Empfangsempfindlichkeit
  • Ausgezeichnete Empfänger-Selektivität und Blockade-Leistung
  • Programmierbar:
    • HF-Ausgangsleistung bis zu +16 dBm
    • RX-Digitalfilter
    • Kanalabstand
  • 4-drahtige SPI-Schnittstelle
  • Schnelles Einschalten und schnelle Frequenzsynthesizer-Einschwingzeit

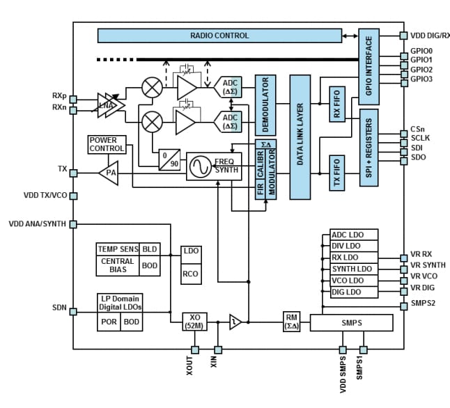
S2-LPCBQTR Blockdiagramm

Blockdiagramm - STMicroelectronics S2-LPCBQTR Sub-1-GHz-Transceiver

Videos

Content Stream

STMicroelectronics S2-LPCBQTR Sub-1-GHz-Transceiver
Veröffentlichungsdatum: 2018-08-02 | Aktualisiert: 2023-02-13