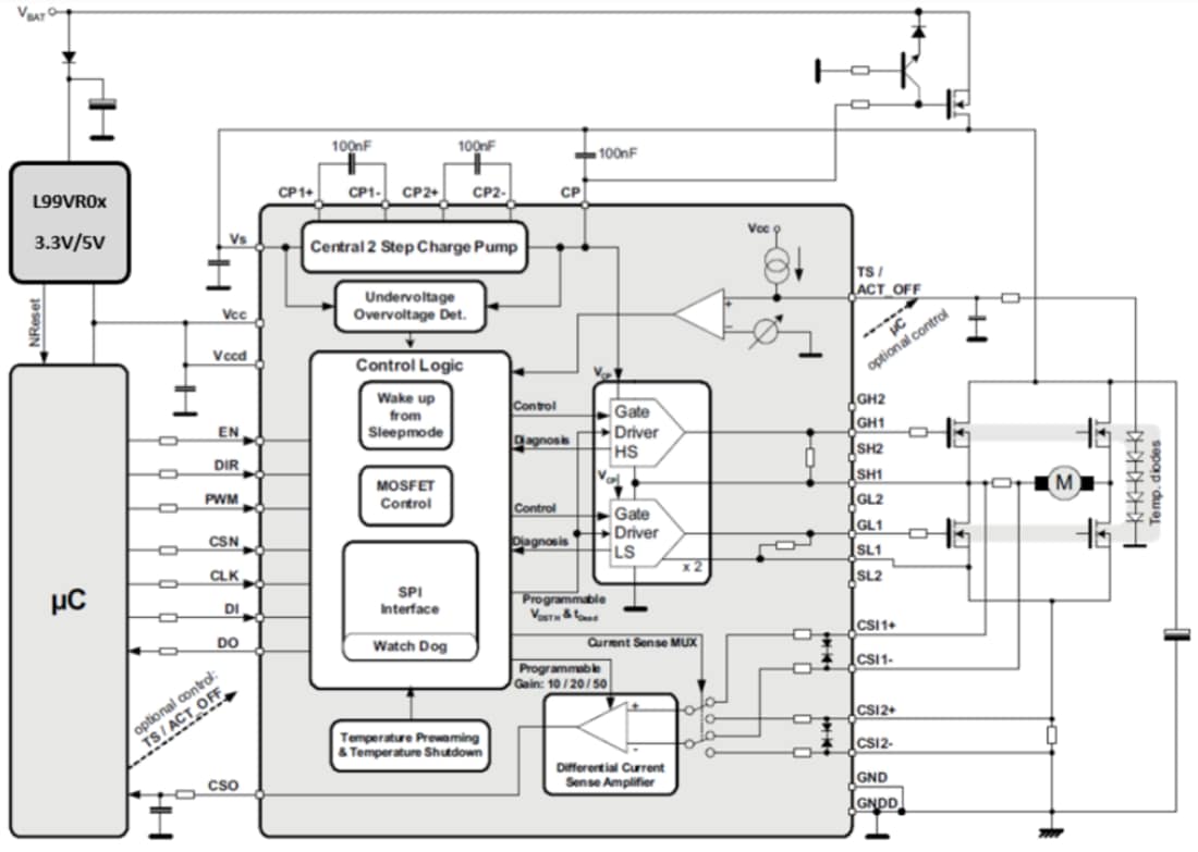
STMicroelectronics L99H02 H-Brücken-Gate-Treiber

Der STMicroelectronics L99H02 H-Brücken-Gate-Treiber ist zur Ansteuerung von vier externen n-Kanal-MOS-Transistoren in einer H-Brücken-Konfiguration für den DC-Motorantrieb in Fahrzeuganwendungen ausgelegt. Im L99H02 von STMicroelectronics ist ein frei konfigurierbarer Strommessungsverstärker integriert. Die integrierte standardmäßige serielle Peripherieschnittstelle (SPI) steuert das Bauelement und liefert Diagnoseinformationen. Ein Schnittstellen-Pin für die thermischen Sensoren der externen MOSFETs ist implementiert.

Merkmale

  • AEC-Q100-qualifiziert
  • Betriebsversorgungsspannung: 6 V bis 28 V
  • Zentrale 2-stufige Ladepumpe
  • 100 % Tastverhältnis
  • Vollständiger RDSon bis hinunter zu 6 V (MOSFETs mit Standard-Schwellenwert)
  • Ladepumpenausgang für die Ansteuerung eines externen NMOSFET-Batterieverpolschutzes
  • Ladungspumpen-Strombegrenzung
  • PWM-Betrieb bis zu 30 kHz
  • SPI-Schnittstelle
  • Strommessverstärker/frei konfigurierbar
  • Nulleinstellung für Trimmen am Leitungsende
  • Leistungsmanagement: programmierbarer Freilauf
  • Eine Sensorschaltung von externen MOSFETs mit Embedded-Wärmesensoren

Applikationen

  • Scheibenwischer
  • Power Door
  • Gurtstraffer
  • Sitzpositionierung
  • Valve-Tronic
  • Parkbremse
  • 2H Motoren

Blockdiagramm

Blockdiagramm - STMicroelectronics L99H02 H-Brücken-Gate-Treiber
Veröffentlichungsdatum: 2021-10-29 | Aktualisiert: 2023-01-06