STMicroelectronics L9907 Automotive-FET-Treiber

STMicroelectronics L9907 Automotive-FET-Treiber sind Smart-Leistungsbauteile mit fortschrittlicher BCD-6s-Technologie. Der L9907 kann alle PowerMOS-Transistoren für Dreiphasen-BLDC-Motorapplikationen antreiben. Die Schaltung eignet sich für den Betrieb in Umgebungen mit hoher Versorgungsspannung wie z. B. eine Doppel-Batterie. Mit der Versorgung verbundene Pins sind in der Lage, bis zu 90 V zu widerstehen und das Bauteil kann die sechs Vortreiber-Kanäle unabhängig steuern.

Merkmale

  • Versorgungsspannung von 6 V bis 54 V für den Betrieb in Einzel- (12V-Systeme), Doppel- (24V-Systeme) und 48V-Batterie-Applikationen
  • Das Bauteil kann bei den FET-High-Side-Treiber-Pins -7 V bis 90 V standhalten
  • 2-Differential-Strommessverstärker:
    • Ausgangs-Offset über SPI wählbar (0,2* VCC-Offset für Masse-Nebenwiderstandsverbindung, 0,5* VCC-Offset für Phasen-Nebenwiderstandsverbindung)
    • Alle Verstärker-Gain-Faktoren sind programmierbar (10, 30, 50, 100)
  • AEC-Q100-qualifiziert
  • Eingangs-Pin für jeden Gate-Treiber
  • Geringer Standby-Stromverbrauch
  • Interner 3,3V-Regler versorgt durch VCC-Pin
  • Aufwärtsregler für vollständige RDSON herunter bis 6 V und Überspannungsschutz
  • 3 Low-Side- und 3 High-Side-Treiber:
    • PWM-Betrieb bis zu 20 kHz
    • Gate-Treiberstrom einstellbar über SPI in 4 Schritten. Bereich über einen externen Widerstand einstellbar. Maximaler Gate-gesteuerter Strom von 600 mA
    • Quellverbindung zu jedem MOSFET

Videos

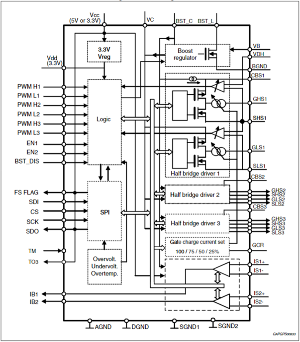
Block Diagram

Blockdiagramm - STMicroelectronics L9907 Automotive-FET-Treiber

Dimensions

Technische Zeichnung - STMicroelectronics L9907 Automotive-FET-Treiber
Veröffentlichungsdatum: 2017-06-07 | Aktualisiert: 2022-05-31