STMicroelectronics EVAL-L99SM81V Evaluierungsboard

Das STMicroelectronics EVAL-L99SM81V Evaluierungsboard ist zum Antrieb eines bipolaren Schrittmotors im Mikroschrittmodus zusammen mit einer Spulenmessung für eine Stillstandserkennung ausgelegt. Dieses Evaluierungsboard besteht aus einem Motherboard und einem Tochterboard und verfügt über den L99SM81V Schrittmotortreiber. Die beiden Evaluierungsboards bieten elektronische Steuermodule mit erweiterten Leistungsmanagement-Stromversorgungsfunktionen, einschließlich einem Standby-Modus. Das Motherboard basiert auf dem SPC56 Mikrocontroller und stellt den Logikbereich für die Überwachung und den Antrieb des auf dem Tochterboard befindlichen L99SM81V bereit.

Merkmale

  • Bipolarer Schrittmotorantrieb über das L99SM81V Bauteil
  • MOSFET-Batterie-Verpolungsschutz mit der Möglichkeit eines Austauschs mit zwei Dioden über die dedizierte Steckbrückenkonfiguration.
  • ISO-Impulsschutz (konnte nicht gelötet werden)
  • Wird normalerweise mit 12 V über den betreffenden Steckverbinder des Tochterboards betrieben
  • Möglichkeit des Anlötens von Ausgangskondensatoren an die Motoranschlüsse
  • L99SM81V interner linearer 5V-Spannungsregler-Ausgangssteckverbinder auf dem Tochterboard verfügbar
  • Das Motherboard ermöglicht über eine dedizierte Steckbrücke die Auswahl der digitalen Stromversorgung für den L99SM81V von 5 V und 3,3 V

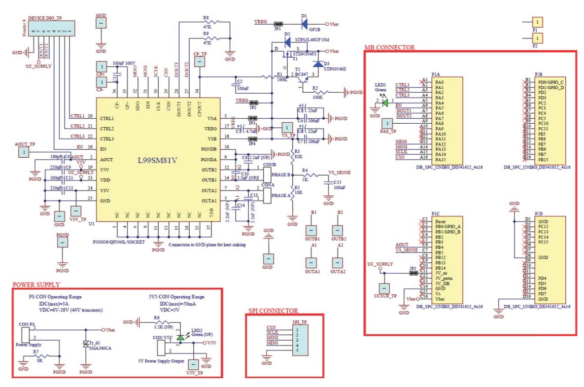
EVAL-L99SM81V Schaltplan

Schaltplan - STMicroelectronics EVAL-L99SM81V Evaluierungsboard
Veröffentlichungsdatum: 2018-11-27 | Aktualisiert: 2023-02-23