STMicroelectronics Automotive-Audio-Leistungsverstärker der Klasse D

STMicroelectronics Automotive-Audio-Leistungsverstärker der Klasse D sind digitale Eingangsverstärker mit Bipolar-CMOS-DMOS-Technologie (BCD), die für Automotive-Audio-Applikationen ausgelegt sind. Die Audioverstärker der Klasse D verfügen über einen großen Betriebsbereich, einen ESD-Schutz, eine AEC-Q100-Qualifizierung sowie eine 2 Ω und 1 Ω Lastantriebsleistung. Diese Audioverstärker sind in Einzelbrücken und Vierbrücken-Konfigurationen erhältlich. Die Audioverstärker der Klasse D setzen I2S- und digitale Zeitmultiplexverfahren-Eingänge (TDM) ein. Diese Audioverstärker enthalten einen leistungsstarken D/A-Wandler, der den Wirkungsgrad steigert. Die Audioverstärker der Klasse D enthalten eine Feedback-Schleife mit einem Ausgangs-L-C-Tiefpassfilter, der für eine hervorragende Übertragungsbereichslinearität und eine geringere Verzerrung sorgt. Diese Verstärker werden in der Standard-Einzel-DIN-Autoradiobox zusammen mit dem Tuner, den Rausch- und Tongeneratoren, der Telematik und dem E-Call verwendet.

Merkmale

  • Integrierte 108-/110dB-D/A-Umwandlung
  • Voller I2C-Busantrieb
  • Ausgangs-Tiefpassfilter sind im Feedback enthalten
  • Clipping-Detektor
  • Eingangs-Abtastfrequenzen von 44,1 kHz, 48 kHz, 96 kHz, 192 kHz
  • ESD-Schutz
  • Lastantriebsleistung von 2 Ω und 1 Ω
  • AEC-Q100-qualifiziert 

Technische Daten

  •  FDA801B und FDA801:
    • 3,3 V/1,8 V I2S oder digitaler TDM-Eingang
    • Hohe Ausgangsleistung von 28 W/4 Ω bei Vd = 14,4 V, THD = 10 %
    • Gehäuse der Bauart LQFP64 Exposed Pad Up
  • FDA803D und FDA903D:
    • 4-/8-/16-Kanal-I2S und digitaler TDM-Eingang
    • Hohe Ausgangsleistung von 1 x 25 W/4 Ω bei Vd = 14,4 V, THD = 1 %
    • Hohe Ausgangsleistung von 1 x 30 W/4 Ω bei Vd = 14,4 V, THD = 10 %
    • Gehäuse der Bauart PowerSSO-36 Exposed Pad Down

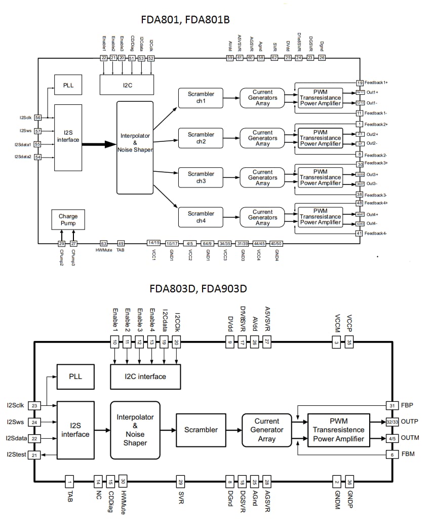
Verstärker der Klasse D Blockdiagramm

Blockdiagramm - STMicroelectronics Automotive-Audio-Leistungsverstärker der Klasse D
Veröffentlichungsdatum: 2018-06-17 | Aktualisiert: 2025-01-09