STMicroelectronics A6985F Synchrone Abwärtsschaltregler

STMicroelectronics A6985F synchrone Abwärtsschaltregler sind Automobilstandard-Bauteile, die bis zu 0,5 A DC liefern. Der A6985F bietet einen stromsparenden und rauscharmen Modus und verfügt über anpassbare Ausgangsspannungen von 0,85 V bis VIN. Diese Regler sind AEC-Q100-qualifiziert, ermöglichen ein Tastverhältnis von 100 % und verfügen über große Eingangsspannungsbereiche für Kaltstart und Lastabfall. Für Automotive-Systeme ausgelegt und zu den typischen Applikationen gehören batteriebetriebene Applikationen und Karosserie-Applikationen.

Merkmale

  • AECQ-100-Qualifikation
  • DC-Ausgangsstrom von 0,5 A
  • 4 V bis 38 V Betriebseingangsspannung
  • Stromsparmodus oder rauscharmer Modus
  • 30 μA IQ bei leichter Last (LCM VOUT = 3,3 V)
  • 8 μA IQ-SHTDWN
  • Ausgangsspannungen:
    • Festgelegt auf 3,3 V und 5 V
    • Einstellbar von 0,85 V bis VIN
  • Einstellbare fSW (250 kHz bis 2 MHz)
  • Embedded Ausgangsspannungswächter
  • Synchronisierung
  • Einstellbare Sanftanlauf-Zeit
  • Interne Strombegrenzung
  • Überspannungsschutz
  • Sequentialisierung der Ausgangsspannung
  • Spitzenstrommodus-Architektur
  • RDSON HS = 360 mΩ, RDSON LS = 150 mΩ
  • Thermische Abschaltung

Applikationen

  • Für Automotive-Systeme ausgelegt
  • Batteriebetriebene Applikationen
  • Karosserie-Applikationen (LCM)
  • Auto-Audio- und rauscharme Applikationen (LNM)

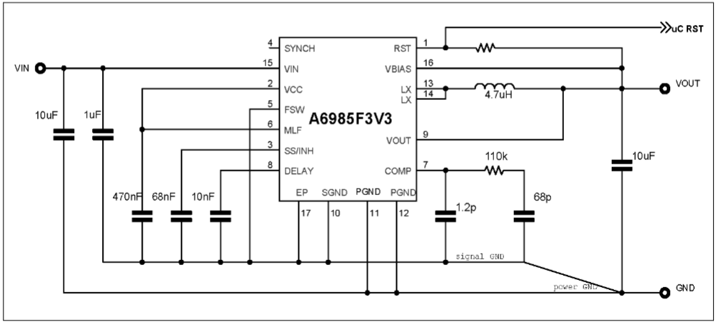
A6985F Applikations-Schaltung

Applikations-Schaltungsdiagramm - STMicroelectronics A6985F Synchrone Abwärtsschaltregler
Veröffentlichungsdatum: 2016-03-02 | Aktualisiert: 2022-03-11