STMicroelectronics Isolierter Abwärtswandler A6983I
Der isolierte Abwärtswandler A6983I von STMicroelectronics ist speziell für die isolierte Abwärtstopologie ausgelegt. Die primäre Ausgangsspannung auf dem A6983I kann genau eingestellt werden, während der isolierte sekundäre Ausgang mit einem vorgegebenen Transformatorverhältnis abgeleitet wird. Kein Optokoppler erforderlich. Die primäre Senkenfähigkeit von bis zu 4,5 A (selbst während des Sanftanlaufs) ermöglicht eine ordnungsgemäße Energieübertragung zur Sekundärseite und einen nachverfolgten Sanftanlauf des sekundären Ausgangs. Der Regelkreis unterstützt eine Spitzenstrommodus-Architektur und der A6983I von STM wird in erzwungener PWM betrieben. Aufgrund der Austastzeit-Filter-Oszillationen von 390 ns, die durch die Streuinduktivität des Transformators erzeugt werden, ist die Lösung robuster.Das kompakte QFN-16-Gehäuse (3 mm x 3 mm) und die interne Kompensation des A6983I tragen zur Reduzierung von Designkomplexität und Größe bei. Die Schaltfrequenz kann im Bereich von 200 kHz bis 1 MHz programmiert werden; die optionale Frequenzspreizung führt zu einer verbesserten EMV.
Merkmale
- AEC-Q100-qualifiziert
- Betriebstemperaturbereich von -40 °C bis +150 °C für Tj
- Für die isolierte Abwärts-Topologie ausgelegt
- Betriebseingangsspannung: 3,5 V bis 38 V
- Lastabwurftoleranz bis zu 40 V
- Primäre Ausgangsspannungsregelung, kein Optokoppler erforderlich
- Quellen-/Senken-Spitzenstrombelastbarkeit: 4,5 A
- Spitzenstrommodus-Architektur im erzwungenen PWM-Betrieb
- Austastzeit: 390 ns
- Betriebsruhestrom: 25 μA
- Programmierbare Schaltfrequenz von 200 kHz bis 1 MHz, stabil mit Kondensator mit niedrigem ESR, min. 2 µF
- Internes Kompensationsnetzwerk
- Abschaltstrom: 2 μA
- Interner Sanftanlauf
- Freigabe-Pin
- Überspannungsschutz
- Sequentialisierung der Ausgangsspannung
- Thermischer Schutz
- Optionale Frequenzspreizung für verbesserte EMV
- Power-Good
- Synchronisierung mit externem Taktgeber
- QFN-16-Gehäuse (3 mm x 3 mm)
Applikationen
- Isolierte Automotive-IGBT-/SiC-MOSFET-Gate-Drive-Versorgung
- On-Board-Ladegerät (OBC) für HEV/EV
- Elektrische Traktionssysteme
Blockdiagramm
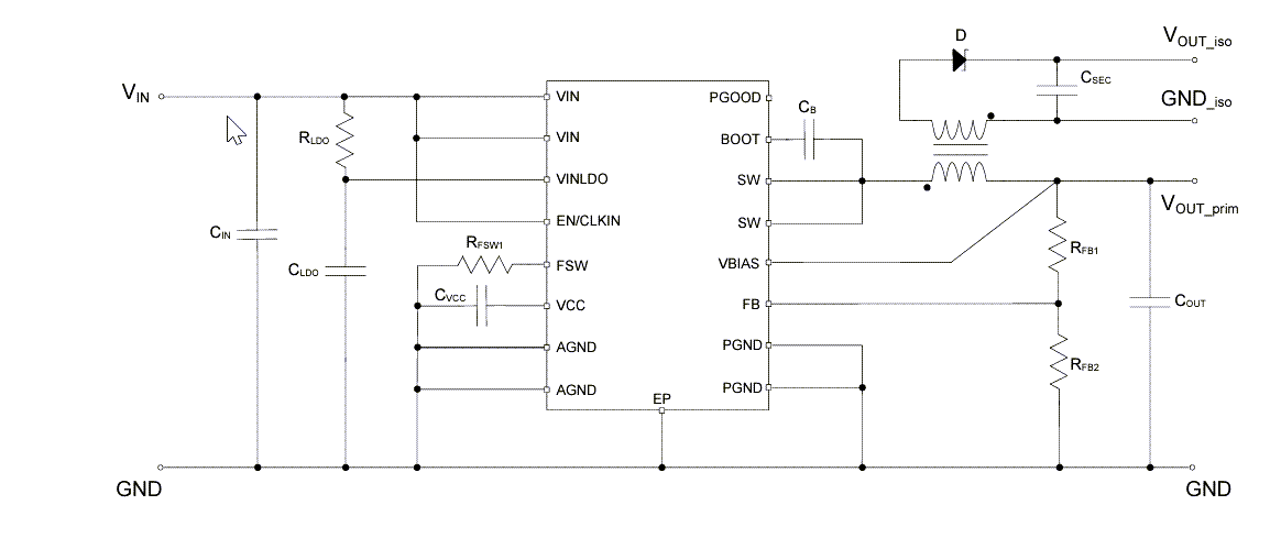
Typische Applikations-Schaltung
Allgemeiner Iso-Abwärtswandler – Schaltplan
Veröffentlichungsdatum: 2024-02-16
| Aktualisiert: 2025-03-28
