STMicroelectronics EVL6482 Schrittmotortreiber-Evaluierungsboard
Das EVL6482 Schrittmotortreiber-Evaluierungsboard von STMicroelectronics basiert auf dem L6482 und bietet eine kostengünstige und benutzerfreundliche Lösung für den Antrieb eines Schrittmotors in der Applikation des Benutzers. Das L6482 Bauteil ist eine fortschrittliche, vollständig integrierte Lösung, die sich für den Antrieb von bipolaren Mikroschritt-Zweiphasen-Schrittmotoren eignet. Es kombiniert einen dualen Vollbrücken-Gate-Treiber für n-Kanal-MOSFET-Leistungsstufen mit eingebetteten, nicht-dissipativem Überstromschutz. Dank einer neuen Stromregelung wird ein 1/16-Mikroschritt durch einen adaptiven Zerfallsmodus erreicht, der herkömmliche Implementierungen übertrifft. Der digitale Steuerungskern kann leicht mit einem dedizierten Registerset programmiert werden, das benutzerdefinierte Bewegungsprofile mit Beschleunigung, Verzögerung, Geschwindigkeit oder Zielposition generieren kann. Alle Befehle und Datenregister werden über eine Standard-5Mbit/s-SPI gesendet, einschließlich derer, die zur Einstellung analoger Werte verwendet werden (wie z. B. Stromregelungswert, Stromschutz-Auslösepunkt, Totzeit usw.). Ein vollständiger Satz an Schutzmaßnahmen (thermisch, niedrige Busspannung, Überstrom und Motorstillstand) schützt das L6482 Bauteil in seiner Gesamtheit, um die Anforderungen der anspruchsvollsten Applikationen für Motorsteuerung zu erfüllen.Das EVL6482 von STMicroelectronics ist mit dem Arduino® UNO R3-Steckverbinder kompatibel und unterstützt die Erweiterung durch andere Boards, die für den Antrieb von bis zu drei Schrittmotoren gestapelt werden können.
Merkmale
- Spannungsbereich von 7,5 V bis 85 V
- MOSFETs mit niedrigem RdsON im DPAK-Gehäuse
- Power-OK- und Fehler-LEDs
- Fortschrittliche Stromregelung
- Vollständig geschützte Leistungsstufe
- Mikroschrittauflösung bis zu 1/16
- Kompatibel mit Arduino UNO R3-Steckverbinder
- Geeignet für Multi-Motor-Lösungen
- RoHS-konform
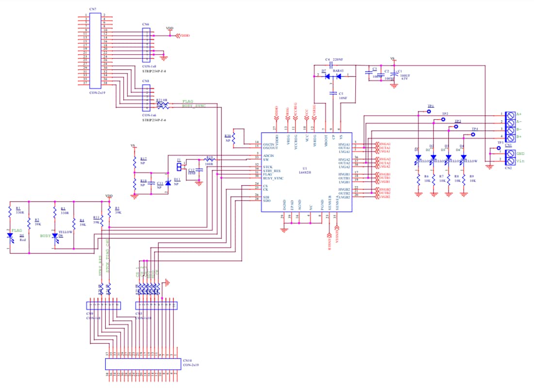
Board-Schaltplan
Veröffentlichungsdatum: 2024-11-04
| Aktualisiert: 2024-11-07
