Gigavac GX32 150A Contactors

Gigavac GX32 150A Contactors feature a rugged EPIC® seal with a high-temperature rating of +175°C, reducing the risk of fire or meltdown. These contactors come in a side-mount, compact package for easy installation or virtually any flat surface, eliminating the need for specially routed power cables, special bus bars, or special lugs. Hermetically sealed, GX32 contactors are designed to meet UL 1604 standards for Class I and II, Div 2, and Class III for use in hazardous locations. Additionally, these contactors have an IP67 protection rating for temporary water immersion for up to 30 minutes and an IP69K rating for pressure washing. Gigavac GX32 150A Contactors are not position-sensitive and can be mounted in any position.

Features

  • Side-mount, compact package
  • Rugged EPIC seal
  • Hermetically sealed
  • Optional high-efficiency dual DC coils
  • Built-in coil suppression for all DC coils
  • Stainless steel nuts, screws, washers, and mounting inserts
  • Not position-sensitive

Specifications

  • Seal rated to +175°C
  • UL 1604 standard for Class I and II, Div 2, and Class III for hazardous locations
  • IP67 protection for 30-minute water immersion
  • IP69K protection for power washing
  • SAE J1171 for external ignition protection
  • ISO 8846 for protection against ignition around flammable gasses
  • 12VDC or 24VDC continuous coil power rating
  • 0.4mΩ maximum contact resistance
  • -55°C to +85°C operating temperature range

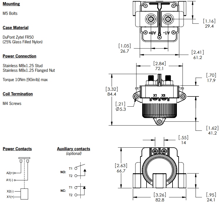
Dimensions

Mechanical Drawing - Gigavac GX32 150A Contactors
Veröffentlichungsdatum: 2025-02-12 | Aktualisiert: 2025-03-26