AIRPAX / Sensata Magnetische Leistungsschalter der AP-Baureihe

Die Magnetischen Leistungsschalter der AP-Baureihe von AIRPAX / Sensata  sind vollständig abgedichtete, hydraulisch-magnetische Schaltungsschutzvorrichtungen. Diese Leistungsschalter kombinieren eine Leistungsschaltung und einen genauen, zuverlässigen Schaltungsschutz mit inversen Zeitverzögerungen und „auslösefreien“ Funktionen. Bei der „auslösefreien“ Aktion bleibt die Schaltung bei Überlast nicht geschlossen, selbst wenn der Griff In der EIN-Position gehalten wird. Die Magnetischen Schaltungsschutzvorrichtungen der AP-Baureihe sind   in DC-, 50-Hz-/60-Hz- oder 400-Hz-Versionen und mit verschiedenen Verzögerungen erhältlich, um die Schutzvorrichtung an spezifische Applikationsanforderungen anzupassen. Eine „O“-Ring-Buchsendichtung und eine Silikonkautschuk-Durchführung innerhalb der Buchsen/Griff-Anordnung sorgen für eine wasserdichte Panelintegrität. Die Bauteile sind gemäß MIL-STD-202, Methode 101, Testbedingung B Salzsprühnebel-zertifiziert, ohne Anzeichen von Korrosion oder elektrischen oder mechanischen Schäden.Zu den    typischen Applikationen gehören Kommunikation, Navigation, Flugzeuginstrumente, Radar, Netzteile und petrochemische Bauteile.

Die Airpax™ UP Schaltungsschutzvorrichtungen sind in einpoligen Einheiten mit UL-Anerkennung und CSA-Zertifizierung erhältlich. Diese Schaltungsschutzvorrichtungen arbeiten mit 50 V DC zu 20 A,120 V 50 Hz/60 Hz zu 15 A und 240 V 50 Hz/60 Hz zu 7,5 A. Die Airpax UP Schaltungsschutzvorrichtungen verfügen über eine optionale Factory Mutual- (FM-)Forschungszulassung für petrochemische Applikationen und eine optionale ATEX-Zertifizierung für den Einsatz in explosionsgefährdeten Umgebungen.

Die Airpax™ AP-MIL Schutzeinrichtungen werden pro MILPRF-39019 hergestellt und sind als ein-, zwei- und dreipolige Auslöseeinheiten mit oder ohne Hilfskontakte erhältlich.

Merkmale

  • QPL zu MIL-PRF-39019
  • Abgedichteter magnetisch-hydraulischer Schaltungsschutz
  • Hält wiederholten Stößen mit 100G stand
  • Ideal für den Einsatz in Klasse 1, Div. 2 Gefahrenbereichen der Gruppen A, B, C und D
  • „Auslösefreie“ Aktion – die Schaltung bleibt bei einer Überlastung nicht geschlossen, auch wenn der Griff in der Position EIN gehalten wird

Applikationen

  • Kommunikations-
  • Navigation
  • Flugzeuginstrumente
  • Radar
  • Netzteile
  • Petrochemische Anforderungen

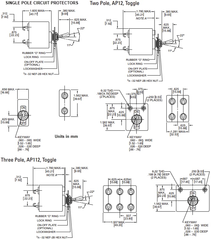
Abmessungen

Technische Zeichnung - AIRPAX / Sensata Magnetische Leistungsschalter der AP-Baureihe

Videos

Veröffentlichungsdatum: 2025-05-22 | Aktualisiert: 2025-06-09