Analog Devices Inc. ADAQ4381-4 Vier-Kanal-DAQ-Modul
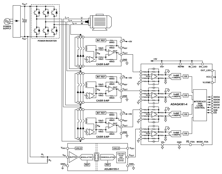
Analog Devices Inc. ADAQ4381-4 Vierkanal-Datenerfassungsmodul (DAQ) ist für Präzision und Effizienz ausgelegt. Dieser Baustein integriert einen hochauflösenden 14-bit, 4 MSPS ADC, ADC-Treiber und Power Management in einem einzigen Gerät. Mit Hilfe der SIP-Technologie reduziert das ADAQ4381-4 Modul die Anzahl der Komponenten im Endsystem, indem es mehrere gemeinsame Signalverarbeitungs- und -aufbereitungsblöcke in einem einzigen Gerät vereint. Das Modul unterstützt sowohl differentielle als auch Single-Ended-Eingänge und bietet damit Flexibilität für verschiedene Anwendungen. Der ADAQ4381-4 ist ideal für die industrielle Automatisierung, medizinische Bildgebung und Testgeräte und kombiniert Hochgeschwindigkeitsleistung mit platzsparender Integration.Merkmale
- Einfach zu bedienen μModul® Datenerfassungssystem:
- 11-fache Verkleinerung der Stellfläche im Vergleich zu diskreten Lösungen
- Integrierte kritische passive Komponenten
- 5 V Einzelversorgungsbetrieb
- Garantiert 14-bit keine fehlenden Codes
- On-Chip Oversampling-Funktion
- Auflösungsverstärkung um 2 Bit
- „Außerhalb des Bereichs“-Anzeige (ALERT)
- SNR (typ.):
- 85 dB bei Verstärkung = 1, fIN = 1 kHz
- 92,4 dB mit OSR = x8 bei Verstärkung = 1, fIN = 1 kHz
- Phasenanpassung von Kanal zu Kanal: 0,005 ° typisch bei fIN = 20 kHz
- Integrierte Hochpräzisionsreferenz, 3 ppm/°C typische Drift
- 0,003 % typischer Verstärkungsfehler
- 0,8 ppm/°C typische Verstärkungsdrift
- Integrierter interner Puffer mit VCM-Erzeugung
- Integrierter, vollständig differenzieller ADC-Treiber mit Signalskalierung:
- Breiter Eingangs-Gleichtaktspannungsbereich
- Hohe Gleichtaktunterdrückung
- Wandlung - einendig zu differenziell
- Serielle Hochgeschwindigkeitsschnittstelle
Applikationen
- Batterietestsystem in Laborqualität
- Strommessung der Motorsteuerung
- Motorsteuerungs-Positionsrückmeldung
- Sonar
- Leistungsqualitätsüberwachung
- Datenerfassungssystem
- Anforderungen an Erbium-dotierte Faserverstärker (EDFA)
- I- und Q-Demodulation
Anwendungsschaltplan
Veröffentlichungsdatum: 2025-01-27
| Aktualisiert: 2025-03-14
