Diodes Incorporated PI6C4911502D Differenzieller Fanout-Buffer

Der PI6C4911502D differenzielle Fanout-Buffer von Diodes Incorporated ist ein Hochleistungsbaustein, der für eine Frequenz von bis zu 1,5 GHz ausgelegt ist. Dieses Gerät integriert zwei Teiler mit benutzerkonfigurierbaren Ausgangsteilern pro Ausgang, was dem Benutzer große Flexibilität bietet. Dieser Fanout-Buffer eignet sich ideal für Systeme, die skalierbare Taktsignale für mehrere Ziele benötigen. Der Puffer PI6C4911502D verfügt über zwei LVPECL-Ausgänge mit zwei individuellen Teilern bis zu einer Ausgangsfrequenz von 1,5 GHz und einer separaten Eingangs-/Ausgangs-Versorgungsspannung für Level-Shifting. Dieser Fanout-Buffer arbeitet bei einem Lagertemperaturbereich von -55 °C bis 150 °C, einer Sperrschichttemperatur von 125 °C und einem Versorgungsstrom von 70 mA. Der Fanout-Buffer wird in Anwendungen wie Netzwerksystemen, einschließlich Switches und Routern, hochfrequenten Backplane-basierten Computern und Telekommunikationsplattformen eingesetzt.

Merkmale

  • 2 LVPECL-Ausgänge mit zwei einzelnen Teilern
  • Niedriger additiver Jitter
    • Unterstützt LVPECL-, LVDS-, CML- und HCSL-Eingänge
  • Getrennte Eingangs-/Ausgangs-Versorgungsspannung für Level-Shifting
  • Industrielle Temperaturunterstützung
  • Vollständig RoHs-konform und bleifrei
  • Halogen- und antimonfreies umweltfreundliches Bauteil
  • Gehäuse (bleifrei und umweltfreundlich):
    • 16-Pin, TQFN-Gehäuse (ZH)

Technische Daten

  • Lagertemperaturbereich: -55 °C bis +150 °C
  • Sperrschichttemperatur: 125 °C
  • Ausgangsfrequenz von bis zu 1,5 GHz
  • 70mA Versorgungsstrom
  • Versorgungsspannung gegen Massepotential (VDD, VDDO): -0,5 V bis 4,6 V
  • Betriebstemperaturbereich der Umgebung: -40 °C bis 85 °C
  • Versorgungsspannungsbereich Core: 2,375 V bis 3,465 V

Applikationen

  • Vernetzungssysteme, einschließlich Switches und Router
  • Hochfrequenz-Backplane-basierte Computer- und Telekommunikationsplattformen

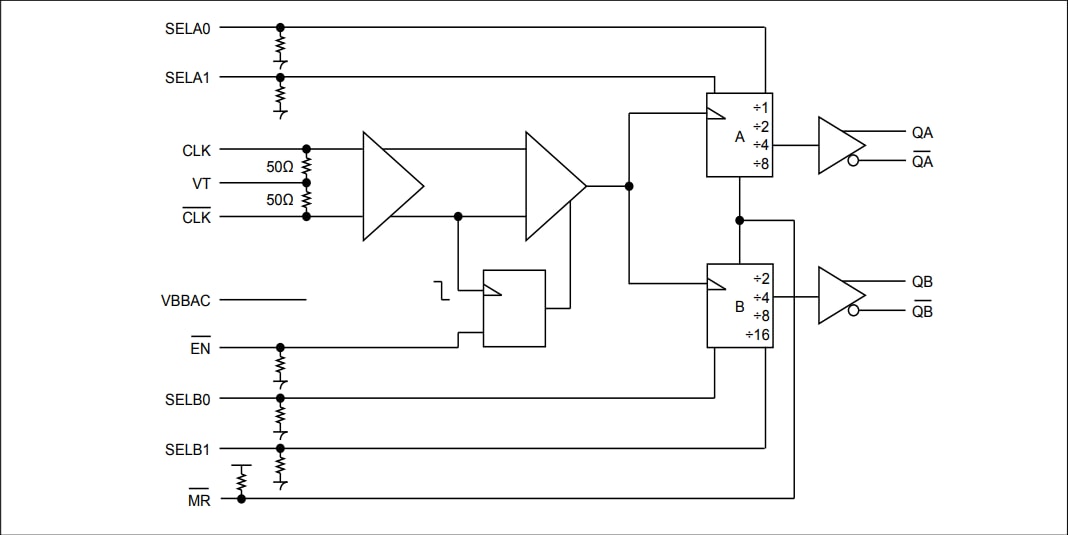
Blockdiagramm

Blockdiagramm - Diodes Incorporated PI6C4911502D Differenzieller Fanout-Buffer
Veröffentlichungsdatum: 2022-04-18 | Aktualisiert: 2022-07-05