Texas Instruments PGA849 Präzisionsverstärker mit programmierbarer Gain
Der Präzisionsverstärker PGA849 von Texas Instruments mit programmierbarer Gain ist ein rauscharmer Instrumentenverstärker mit großer Bandbreite zur Umwandlung von differenziellen in einendige Signale. Der PGA849 verfügt über acht binäre Verstärkungseinstellungen, von einer Dämpfungsverstärkung von 0,125 V/V bis maximal 16 V/V reichen und über drei digitale Verstärkungsauswahlkontakte eingestellt werden können.Die Architektur des PGA849 von Texas Instruments ist für die Ansteuerung von Eingängen von hochauflösenden Präzisions-Analog-Digital-Wandlern (ADCs) und Abtastraten von bis zu 1 MSPS optimiert, ohne dass ein zusätzlicher ADC-Treiber erforderlich ist. Die Stromversorgung der Ausgangsstufen sind von der Eingangsstufe entkoppelt, um den ADC oder die nachgeschalteten Bauteile vor Schäden durch Übersteuerung zu schützen.
Die Super-Beta-Eingangstransistoren bieten einen beeindruckend niedrigen Eingangsruhestrom und bieten eine sehr niedrige Eingangsstrom-Rauschdichte von 0,3 pA/√Hz, wodurch der PGA849 eine vielseitige Wahl für praktisch jeden Sensortyp darstellt. Die rauscharme Stromrückkopplungs-Frontend-Architektur bietet selbst bei hohen Frequenzen eine außergewöhnliche Gain-Flachheit, was den PGA849 zu einem hervorragenden Sensorauslesegerät mit hoher Impedanz macht. Integrierte Schutzschaltungen an den Eingangspins können Überspannungen von bis zu ±40 V über die Versorgungsspannungen hinaus bewältigen.
Merkmale
- Differenzielle zu einendige Umwandlung
- Acht Pin-programmierbare Binärverstärkungen von G (V/V) = 1/8, 1/4, 1/2, 1, 2, 4, 8 und 16
- Niedrige Gain-Fehlerdrift von ±2 ppm/°C (max.)
- Schnellere Signalverarbeitung
- Große Bandbreite von 10 MHz bei allen Verstärkungen
- Hohe Anstiegsrate von 35 V/μs bei G ≥½ V/V
- Einschwingzeit von 700 ns bis 0,01 %, 950 ns bis 0,0015 %
- Eingangsstufenrauschen von 8,6 nV/√Hz bei G = 16 V/V
- Filteroption zur Erzielung eines besseren SNR
- Eingangsüberspannungsschutz bis ±40 V über die Versorgungsspannung hinaus
- Versorgungsbereich der Eingangsstufe
- Einzelversorgung von 8 V bis 36 V
- Duale Versorgung von ±4 V bis ±18 V
- Unabhängige Ausgangsversorgungs-Pins
- Versorgungsbereich der Ausgangsstufe
- Einzelversorgung von 4,5 V bis 36 V
- Duale Versorgung von ±2,25 V bis ±18 V
- Spezifizierter Temperaturbereich von -40 °C bis +125 °C
- Kleines QFN-Gehäuse von 3 mm × 3 mm
Applikationen
- Fabrikautomatisierung und -steuerung
- Analoges Eingangsmodul
- Datenerfassung (DAQ)
- Prüf- und Messverfahren
- Parameter-Messeinheit (PMU)
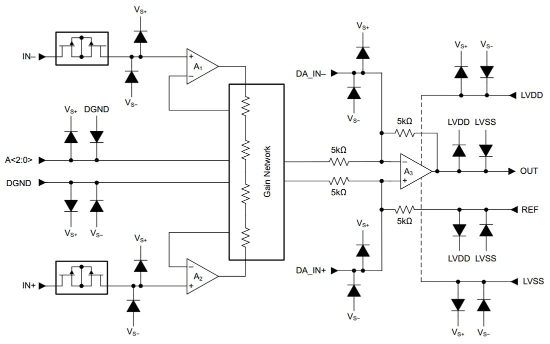
Funktionales Blockdiagramm
