ROHM Semiconductor RB-D62Q2524GD40 Referenzboard

Das Referenzboard RB-D62Q2524GD40 von ROHM Semiconductor ist eine umfassende Entwicklungsplattform, die auf dem LAPIS ML62Q2524 CMOS 16-bit RISC Mikrocontroller basiert. Dieses Board wurde entwickelt, um ein schnelles Prototyping und Testen zu ermöglichen und eignet sich hervorragend für Anwendungen, die eine effiziente Verarbeitung und einen geringen Stromverbrauch erfordern. Das Board eignet sich besonders gut für Systeme im Automobilbereich, wie z. B. Hauptwechselrichter, Onboard-Ladegeräte, Batteriemanagementsysteme und industrielle Geräte zur Fabrikautomatisierung und -steuerung. Außerdem wird durch das Board die Entwicklung energieeffizienter Unterhaltungselektronik unterstützt. Das Bauelement RB-D62Q2524GD40 ist mit der ROHM Semiconductor Suite von Entwicklungswerkzeugen kompatibel und ermöglicht Ingenieuren, innovative, zuverlässige und optimierte Lösungen für verschiedene Embedded-System-Anwendungen zu entwickeln.

Merkmale

  • LAPIS CMOS 16-bit-RISC-MCU ML62Q2524 mit 40 Pins und WQFN-Gehäuse im Lieferumfang inbegriffen
  • Montiert mit dem verlinkten Anschluss an EASE1000 V2
  • Durchgangsbohrungen für den Anschluss der LSI-Pins an externe Peripheriekarten
  • Wählbare Stromversorgung, die über den On-Chip-Emulator EASE1000 V2 oder CN1_3pin
  • Eingebauter 32,768 kHz Quarz
  • Montierte LEDs (P20, P21, P22)
  • Foot-Modell mit Komponenten für A/D-Wandler vom Typ sukzessive Approximation ist verfügbar (P30, P31, P32, P33)
  • Niedriger Stromverbrauch
  • Interner Flash-Speicher und RAM
  • Flexible E/A- und Kommunikationsschnittstellen
  • Echtzeitverarbeitung
  • Betriebsspannungsbereich: 1,8 V bis 5,5 V
  • Kompakter Formfaktor, Größe: 56 mm x 94 mm x 15 mm (BxTxH)

Applikationen

  • Automobilsysteme
  • Industrie-Ausstattung
  • Unterhaltungselektronik

Übersicht

Schaltungsanordnung - ROHM Semiconductor RB-D62Q2524GD40 Referenzboard

Stromkreis

Schaltungsanordnung - ROHM Semiconductor RB-D62Q2524GD40 Referenzboard

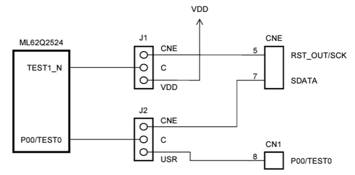
EASE1000 V2 Schnittstelle

Schaltungsanordnung - ROHM Semiconductor RB-D62Q2524GD40 Referenzboard

PCB-Layout

Technische Zeichnung - ROHM Semiconductor RB-D62Q2524GD40 Referenzboard
Veröffentlichungsdatum: 2024-12-30 | Aktualisiert: 2025-01-07