ROHM Semiconductor RB-D62Q2522GD40 Referenzboard

Das Referenzboard RB-D62Q2522GD40 von ROHM Semiconductor ist eine robuste Entwicklungsplattform mit dem LAPIS CMOS 16-Bit-RISC-Mikrocontroller ML62Q2522, der für verschiedene Embedded-Anwendungen zugeschnitten ist. Dank des geringen Stromverbrauchs, der effizienten Verarbeitung und der integrierten Peripheriegeräte ist dieses Board ideal für Automobilsysteme wie Onboard-Ladegeräte, Batteriemanagementsysteme und DC-DC-Wandler. das Bauelement RB-D62Q2522GD40 von ROHM Semiconductor unterstützt außerdem industrielle Geräte für die Fabrikautomatisierung/-steuerung und Unterhaltungselektronik, die intelligente und energieeffiziente Designs erfordern. Das Board RB-D62Q2522GD40 ist mit den Entwicklungstools von ROHMkompatibel und vereinfacht das Prototyping, Testen und Optimieren, so dass Ingenieure innovative und zuverlässige Lösungen für den Automobil-, Industrie- und Verbraucherbereich entwickeln können.

Merkmale

  • CMOS 16-bit-RISC-MCU ML62Q2522 mit 40 Pins und WQFN-Gehäuse im Lieferumfang inbegriffen
  • Montiert mit dem verlinkten Anschluss an EASE1000 V2
  • Durchgangsbohrungen für den Anschluss der LSI-Pins an externe Peripheriekarten
  • Wählbare Stromversorgung, die über den On-Chip-Emulator EASE1000 V2 oder CN1_3pin
  • Eingebauter 32,768 kHz Quarz
  • Montierte LEDs (P20, P21, P22)
  • Foot-Modell mit Komponenten für A/D-Wandler vom Typ sukzessive Approximation ist verfügbar (P30, P31, P32, P33)
  • Niedriger Stromverbrauch
  • Interner Flash-Speicher und RAM
  • Flexible E/A- und Kommunikationsschnittstellen
  • Echtzeitverarbeitung
  • Betriebsspannungsbereich: 1,8 V bis 5,5 V
  • Kompakter Formfaktor, Größe: 56 mm x 94 mm x 15 mm (BxTxH)

Applikationen

  • Unterhaltungselektronik
  • Industrie-Ausstattung
  • Automobilsysteme
  • Medizinische Geräte
  • Intelligente Haushaltsgeräte

Übersicht

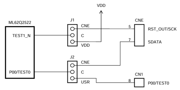
Schaltungsanordnung - ROHM Semiconductor RB-D62Q2522GD40 Referenzboard

Stromkreis

ROHM Semiconductor RB-D62Q2522GD40 Referenzboard

EASE1000 V2 Schnittstelle

Schaltungsanordnung - ROHM Semiconductor RB-D62Q2522GD40 Referenzboard

PCB-Layout

Technische Zeichnung - ROHM Semiconductor RB-D62Q2522GD40 Referenzboard
Veröffentlichungsdatum: 2024-12-30 | Aktualisiert: 2025-01-07