ROHM Semiconductor RB-D62Q1335TD20 Referenzboard
Das Referenzboard RB-D62Q1335TD20 von ROHM Semiconductor wurde zur Demonstration der Fähigkeiten des für stromsparende und leistungsstarke Embedded-Anwendungen optimierten LAPIS CMOS 16-Bit-RISC-Mikrocontrollers ML62Q1335 entwickelt. Dieses Referenzboard bietet Entwicklern eine vielseitige Plattform zur schnellen Systemevaluierung und Prototyperstellung, bei denen eine effiziente Verarbeitung und Echtzeitsteuerung erfordert sind. Das durch den MCU ML62Q1335 betriebene Board zeichnet sich durch einen geringen Stromverbrauch aus und ist damit ideal für batteriebetriebene Geräte geeignet. Es verfügt über einen internen Flash-Speicher und RAM und unterstützt externe Speicher für größere Anwendungen.Das Board RB-D62Q1335TD20 von ROHM Semiconductor verfügt über eine Reihe von E/A-Schnittstellen, darunter digitale E/A, ADC und Kommunikationsprotokolle wie UART, SPI und I2C, die eine einfache Integration mit externer Peripherie ermöglichen. Dank seiner Echtzeit-Verarbeitungsfähigkeiten ist es für zeitkritische Anwendungen geeignet, während das kompakte Design perfekt für Systeme mit begrenztem Platzangebot ist. Mit den zur Verfügung gestellten Entwicklungstools, dem Beispielcode und den Debugging-Schnittstellen beschleunigt das Referenzboard RB-D62Q1335TD20 die Entwicklung von Anwendungen in der industriellen Automatisierung, der Unterhaltungselektronik und in Automobilsystemen und bietet eine zuverlässige und energieeffiziente Lösung.
Merkmale
- LAPIS CMOS 16-bit-RISC-MCU ML62Q1335 mit 20 Pins und TSSOP-Gehäuse im Lieferumfang inbegriffen
- Mit dem verknüpften Anschluss an EASE1000 montiert
- Durchgangsbohrungen für den Anschluss der LSI-Pins an externe Peripheriekarten
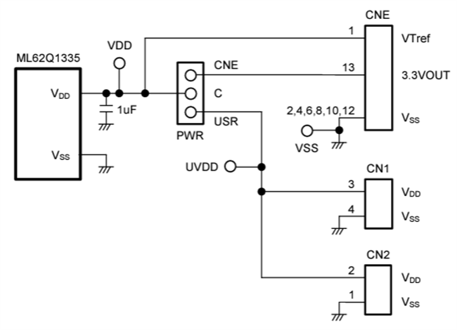
- Die einstellbare Stromversorgung wird über den On-Chip-Emulator EASE1000 oder CN1_3-polig/CN2_2-polig versorgt.
- Montierte LED (P20, P21, P22)
- Niedriger Stromverbrauch
- Integrierter Flash-Speicher und RAM
- Eine Vielzahl von E/A-Schnittstellen
- Echtzeit-Verarbeitungsfunktionen
- Betriebsspannungsbereich von 1,6 V bis 5,5 V
- Kompakter Formfaktor, Größe: 56 mm x 94 mm x 15 mm (BxTxH)
Applikationen
- Industrieautomatisierung
- Unterhaltungselektronik
- Automobilsysteme
- Sensornetzwerke
Übersicht
Stromkreis
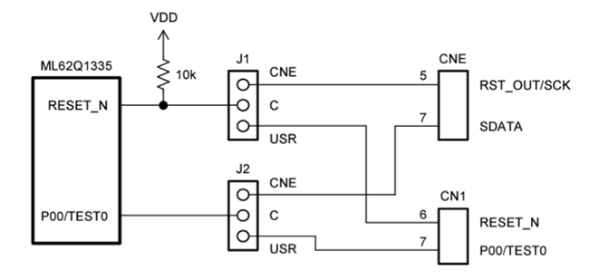
EASE1000-Schnittstelle
PCB-Layout
