ROHM Semiconductor RB-D610Q339TB64 Referenzboard
Das ROHM Semiconductor RB-D610Q339TB64 Referenzboard ist zur Entwicklung und das Testen von Applikationen ausgelegt, die den ML610Q339 8-Bit-Mikrocontroller verwenden, der für die Sprachwiedergabe optimiert ist. Dieses Referenzboard enthält den ML610Q339 MCU, der mit dedizierten Sprachsynthesefunktionen ausgestattet ist, wodurch es sich hervorragend für sprachbasierte Systeme eignet. Das Board unterstützt eine Audiowiedergabe über einen integrierten DAC und einen Audio-Treiber, wodurch ein einfacher Analogausgang zu externen Lautsprechern ermöglicht wird. Darüber hinaus verfügt es über einen internen ROM für die Speicherung von Sprachdaten mit Optionen zur Erweiterung des Speichers über einen externen Flash-Speicher.Das RB-D610Q339TB64 Board vonROHM Semiconductor ist mit einem Schwerpunkt auf geringem Stromverbrauch gut geeignet für batteriebetriebene Applikationen, wie z. B. ein sprachfähiges Spielzeug, Alarme und Benachrichtigungssysteme. Der kompakte Formfaktor und die einfache Integration machen sie zu einer hervorragenden Plattform für ein schnelles Prototyping und wird mit Development Tools wie Beispielcode und Hardware-Schaltplänen geliefert, um den Designprozess zu beschleunigen.
Merkmale
- ML610Q339 8-Bit-Sprachwiedergabe-MCU
- Für Sprachsynthese, Soundeffekte und Audioausgang für Embedded-Systeme ausgelegt
- On-Board-Audiowiedergabe
- Flexibler Audio-Speicher
- Geringer Stromverbrauch
- Integrierter Audio-Treiber
- Umfasst eine Reihe von I/O-Schnittstellen, wie z. B. Schalter, Tasten und LEDs, die Benutzerinteraktion und Feedback in sprachbasierten Applikationen ermöglichen
- Einfache integration
- Kompakter Formfaktor, Abmessungen: 93,98 mm x 55,88 mm
- Betriebsversorgungsbereich: 2 V bis 5,5 V
- Kann mit dem EASE1000 V2 On-Chip-Debug-Tool und der Software-Entwicklungsumgebung (DUT8 und MWU16) kombiniert werden, um Folgendes zu tun:
- Entwicklung und Debugging der MCU-Steuersoftware
- Programmiersteuerung und Soundcodedaten zum internen MCU-Flash-ROM
- Sprachwiedergabe durch den MCU
Applikationen
- Unterhaltungselektronik
- Internet of Things(IoT)-Geräte
- Fahrzeugelektronik
- Industrieautomatisierung
- Spielzeug und Lernprodukte
- Sicherheitssysteme
- Wearables
Übersicht
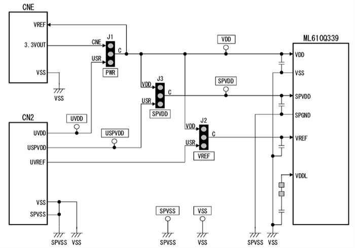
Leistungsschaltung
PCB-Layout
Veröffentlichungsdatum: 2024-12-23
| Aktualisiert: 2024-12-30
