ROHM Semiconductor BM81810MUF-ME2 Leistungsmanagement-IC
Der BM81810MUF-ME2 Leistungsmanagement-IC von ROHM Semiconductor enthält einen VCOM-Verstärker, eine Gate-Pulsmodulation (GPM) und einen integrierten EEPROM. Dieser integrierte Leistungsmanagement-Schaltkreis (PMIC) verfügt über eine positive Ladungspumpe für den VGH -Ausgang und eine negative Ladungspumpe für den VGL -Ausgang. Der BM81810MUF-ME2 IC enthält eine Unterspannungssperre, eine thermische Abschaltung, einen Überstromschutz, einen Überspannungsschutz und Unterspannungsschutzschaltungen. Dieser PMIC arbeitet bei einem Temperaturbereich von -40 °C bis 105 °C, einem Standby-Strom von 2 μA und einem Eingangsspannungsbereich von 2,6 V bis 5,5 V. Typische Anwendungen sind die Fahrzeugnavigation, die Mittelkonsole im Fahrzeug und das Kombiinstrument.Merkmale
- AEC-Q100-qualifiziert
- Alternative synchrone DC/DC-Abwärtswandler oder LDO für VDD -Ausgang
- Synchroner DC/DC-Aufwärtswandler für AVDD -Ausgang mit integriertem Lastschalter
- VCOM Verstärker mit 7-Bit-Kalibrator
- Positive Ladungspumpe für VGH -Ausgang
- Negative Ladungspumpe für VGL -Ausgang
- VGH- und VCOM-Temperaturkompensation
- Gate-Impulsmodulation (GPM)
- I2C-Schnittstellen-Ausgangsspannungs-Einstellungs-Steuerfunktion (integrierter EEPROM)
- Schaltfrequenz-Schaltfunktion
- Schutzschaltungen:
- Unterspannungssperre
- Thermische Abschaltung
- Überstromschutz
- Überspannungsschutz
- Unterspannungsschutz
Technische Daten
- Eingangsspannungsbereich von 2,6 V bis 5,5 V
- Betriebstemperaturbereich: -40 °C bis +105 °C
- 2 μA Standby-Strom
- 5 V bis 17 V AVDD Ausgangsspannungsbereich
- Ausgangsspannungsbereich: 8 V bis 35 V VGH
- Ausgangsspannungsbereich: 4 V bis -14 V VGL
- Ausgangsspannungsbereich: 0,9 V bis 3,4 V VDD
- 200 mA VCOM-Ausgangsstrom
- Schaltfrequenz: 525 kHz, 1,05 MHz und 2,1 MHz
Applikationen
- TFT-LCD-Panels:
- Fahrzeugnavigation
- Mittelpaneel im Fahrzeug
- Kombiinstrumente
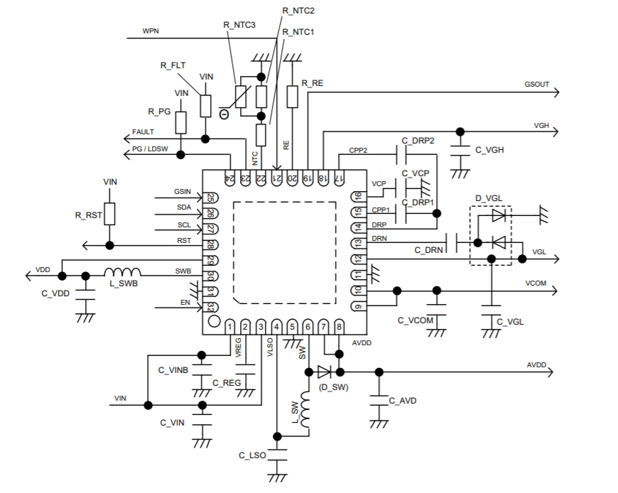
Applikations-Schaltung
Veröffentlichungsdatum: 2021-02-23
| Aktualisiert: 2024-02-08
