ROHM Semiconductor BM61S41RFV-EVK002 Evaluierungsboard
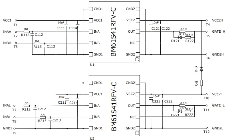
Das Evaluierungsboard BM61S41RFV-EVK002 von ROHM Semiconductor steuert zwei SiC-Leistungsbauteile an und ist zur Evaluierung eines Treibers vom Typ BM61S41RFV-C ausgelegt. Der BM61S41RFV-C IC ist ein Gate-Treiber mit einer Isolationsspannung von 3.750 Vrms. Der BM61S40RFV-C IC enthält eine Unterspannungssperre (UVLO) und eine aktive Miller-Klemmfunktion. Das Evaluierungsboard BM61S41RFV-EVK002 von ROHM Semiconductor bietet eine eingangsseitige Stromversorgung von 4,5 V bis 5,5 V und eine ausgangsseitige Versorgungsspannung von 16 V bis 24 V.Merkmale
- Eingangsseitige Stromversorgungsspannung: 4,5 V bis 5,5 V
- Ausgangsseitige Stromversorgungsspannung: 16 V bis 24 V
- Aktive Miller-Klemmung für die Gate-Steuerung
- Unterspannungssperre (UVLO) an der Eingangs- und Ausgangsseite
Maßbild
Schaltplan
Weitere Ressourcen
Veröffentlichungsdatum: 2020-02-18
| Aktualisiert: 2024-09-24
