ROHM Semiconductor BDxxGA3WEFJ / BDxxGA3WNUX LDO-Spannungsregler
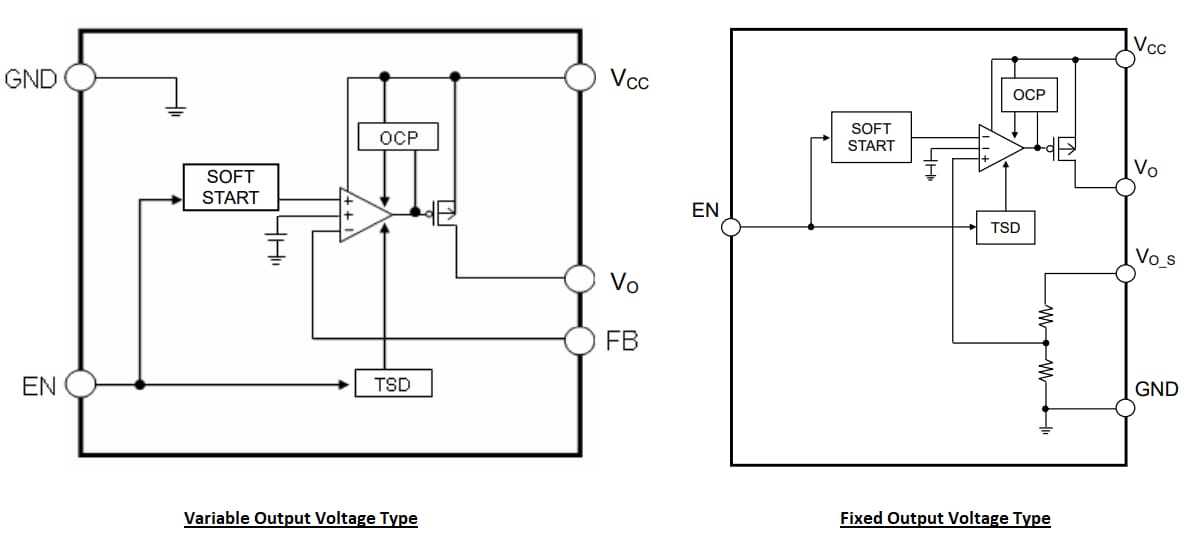
Die BDxxGA3WEFJ / BDxxGA3WNUX LDO-Spannungsregler von ROHM Semiconductor bieten einen Ausgangsstrom von 300 mA. Die Spannungsregler verfügen über eine Ausgangsspannungsgenauigkeit von 1 %, einen Abschaltmodus von null µA, einen integrierten Überstromschutz (OCP) und eine integrierte thermische Abschaltschaltung (TSD). Diese BDxxGA3WEFJ / BDxxGA3WNUX LDO-Spannungsregler bieten sowohl feste als auch variable Ausgangsspannungen. Das variable Ausgangsspannungsbauteil kann über externe Widerstände von 1,5 V bis 13 V eingestellt werden. Diese LDO-Regler verfügen über verschiedene Bauteile mit fester Ausgangsspannung, die keine externen Widerstände verwenden. Die Spannungsregler BDxxGA3WEFJ / BDxxGA3WNUX sind in den kleinen Gehäusen HTSOP-J8 (4,90 mm x 6 mm x 1 mm) und VSON008X2030 (2 mm x 3 mm x 0,60 mm) erhältlich. Diese LDO-Regler sind mit Keramikkondensatoren verwendbar, die ein kleineres Layout und eine längere Lebensdauer ermöglichen. Die LDO-Regler werden für eine breite Palette von Applikationen in digitalen Geräten verwendet.±Merkmale
- Ausgangsspannungsgenauigkeit: ±1 %
- Eingebauter Überstromschutz (OCP)
- Integrierte thermische Abschaltung (TSD)
- Null-µA-Abschaltmodus
Technische Daten
- Eingangsversorgungsspannung Bereich: 4,5 V bis 14 V
- Ausgangsspannungsbereich: 1,5 V bis 13 V (variabler Typ)
- Ausgangsspannung: 1,5 V/1,8 V/2,5 V/3 V/3,3 V/5 V/6 V/7 V/8 V/9 V/10 V/12 V (fester Typ)
- Maximaler Ausgangsstrom: 0,3 A
- Betriebstemperaturbereich: -25 °C bis 85 °C
- Gehäuse:
- HTSOP-J8 (EFJ): Abmessungen: 4,90 mm x 6 mm x 1 mm
- VSON008X2030 (NUX): Abmessungen: 2 mm x 3 mm x 0,60 mm
Blockdiagramm
Typische Applikations-Schaltung
View Results ( 23 ) Page
| Teilnummer | Datenblatt | Ausgangsspannung | Ausgangsstrom | Art der Ausgabe | Pd - Verlustleistung | Anzahl der Ausgänge | Montageart |
|---|---|---|---|---|---|---|---|
| BD50GA3WEFJ-E2 | ![]() |
5 V | 300 mA | Fixed | 2.11 W | 1 Output | SMD/SMT |
| BD60GA3WEFJ-E2 | ![]() |
6 V | 300 mA | Fixed | 2.11 W | 1 Output | SMD/SMT |
| BD00GA3WEFJ-E2 | ![]() |
300 mA | Adjustable | 2.11 W | 1 Output | SMD/SMT | |
| BD80GA3WNUX-TR | ![]() |
8 V | 300 mA | Fixed | 1.7 W | 1 Output | SMD/SMT |
| BD15GA3WNUX-TR | ![]() |
1.5 V | 300 mA | Fixed | 1.7 W | 1 Output | SMD/SMT |
| BD25GA3WNUX-TR | ![]() |
2.5 V | 300 mA | Fixed | 1.7 W | 1 Output | SMD/SMT |
| BD80GA3WEFJ-E2 | ![]() |
8 V | 300 mA | Fixed | 2.11 W | 1 Output | SMD/SMT |
| BD90GA3WNUX-TR | ![]() |
9 V | 300 mA | Fixed | 1.7 W | 1 Output | SMD/SMT |
| BD18GA3WNUX-TR | ![]() |
1.8 V | 300 mA | Fixed | 1.7 W | 1 Output | SMD/SMT |
| BD33GA3WEFJ-E2 | ![]() |
3.3 V | 300 mA | Fixed | 2.11 W | 1 Output | SMD/SMT |
Veröffentlichungsdatum: 2021-05-04
| Aktualisiert: 2022-03-11

