ROHM Semiconductor BD9V100MUF-EVK-001 Evaluierungsboard
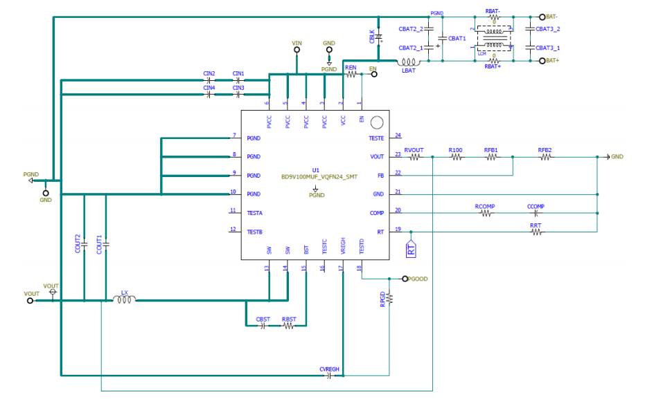
Das BD9V100MUF-EVK-001 Evaluierungsboard von ROHM Semiconductor ist zur Evaluierung der BD9V10xMUF-LB Synchron-Abwärtswandler im Strommodus ausgelegt. Die BD9V10xMUF-LB Synchron-Abwärtswandler im Strommodus verfügen über einen großen Eingangsspannungsbereich von 16 V bis 60 V und nutzen eine sehr kurze minimale Impulsbreite (bis zu 20 ns), die eine direkte Umwandlung von 60 V Stromversorgung in 3,3 V bei einem Betrieb von 2,1 MHz ermöglicht.Das BD9V100MUF-EVK-001 Evaluierungsboard hat keine Schalter oder Einstellungen zur Konfiguration. Dies ermöglicht die Aktivierung des Boards, indem die Eingangsspannung (zwischen 16 V bis 60 V) an die Anschlüsse BAT+ und BAT- des Boards angelegt wird.
Applikationen
- Industrieausrüstung
- Verbrauchsgüter
Technische Daten
- Material: FR-4
- Boardstärke: 1,6 mm
- Kupferdicke: 1 oz
- Board-Größe: 80 mm x 100 mm
- Minimale Kupferbreite: 0,15 mm
- Minimaler Luftspalt: 0,15 mm
- Minimaler Abstandsspalt: 0,3 mm
Übersicht
Schaltplan
Veröffentlichungsdatum: 2019-10-08
| Aktualisiert: 2024-02-06
