ROHM Semiconductor BD85506F Steuer-ICs für synchrone Gleichrichtung
Die BD85506F Synchron-Gleichrichter-Steuer-ICs von ROHM Semiconductor verfügen über eine erweiterte Funktion zur Erkennung von Anomalien auf der Sekundärseite. Dieser IC hat eine Funktion zur Erkennung von FET-Anomalien, wie z. B. der Gleichrichtung von Body-Dioden. Darüber hinaus verfügt er über eine hochpräzise Überspannungserkennung, die zur Verbesserung der Sicherheit und zur Verringerung der Anzahl externer Komponenten beiträgt.Merkmale
- Interne FET-Anomalie-Erkennungsfunktion für sekundärseitige Synchrongleichrichtung
- Interne Überspannungserkennungsschaltung (OVP) (extern einstellbar, hohe Genauigkeit: 2 %)
- Verbesserung des Wirkungsgrads durch FET-AUS- Schwellenspannung ist einstellbar
- Die Quelle jedes FETS kann einzeln überwacht werden
- Interne automatische Ermittlungsfunktion im Standby-Modus
- Interner Mehrzweck-Komparator
- Mit der Funktion „Langsamer Start“ ist es möglich, die Funktion zur Erkennung von FET-Anomalien beim Start und beim Beginn des Schaltvorgangs einzustellen.
- Großer Eingangsspannungsbereich: 5,0 V bis 32 V
- D1, D2 Pin 120 V (max.) Durchschlagspannung
- Durchflusskompatibles SOP14-Gehäuse
Applikationen
- Isolierte AC/DC-Stromversorgung vom Typ LLC
- Adapter, TV, Drucker, Bürogeräte, etc.
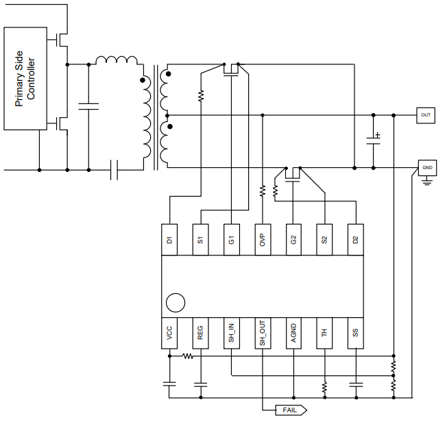
Typische Applikations-Schaltungen
Veröffentlichungsdatum: 2022-02-01
| Aktualisiert: 2022-03-11
