ROHM Semiconductor BD68960EKV-C Schrittmotortreiber
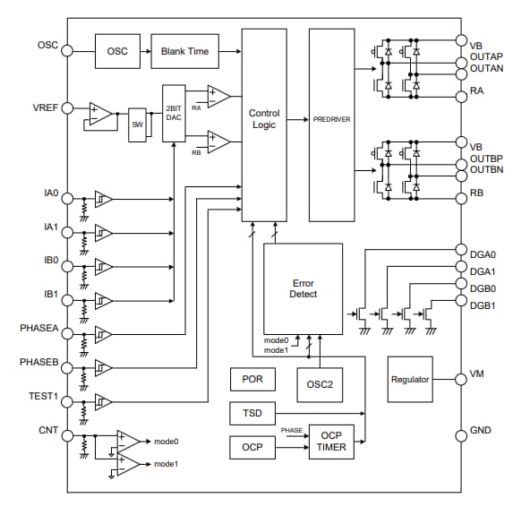
Der BD68960EKV-C Schrittmotortreiber von ROHM Semiconductorist ein bipolarer Treiber mit niedrigem Verbrauch, der mit PWM-Strom und einer Nennversorgungsspannung von 35 V betrieben wird. Dieser Motortreiber ist AEC-Q100 qualifiziert und verfügt über den PARA-IN-AntriebsModus und einen Nennausgangsstrom von 1,8 A. Der PARA-IN-Antriebsmodus wird für die Eingangsschnittstelle übernommen und der aktuelle Verfallmodus ist LANGSAMER VERFALL. Der BD68960EKV-C Motortreiber bietet Voll-, Halb- (zwei Arten) und Viertelschrittfunktionalität sowie eine offene Erkennungsmaske mit Zeitauswahlfunktion. Dieser Motortreiber wird in einem ultradünnen und hochwärmeabstrahlenden Gehäuse (freiliegendes Metall) geliefert und arbeitet im Temperaturbereich von -40°C bis 125°C. Typische Applikationen umfassen Abgasrückführventile (EGR), Drucker, Überwachungskameras, Nähmaschinen und Roboter.Merkmale
- AEC-Q100-qualifiziert
- Nennausgangsstrom 1,8 A (DC)
- Niedriger On-Widerstand am H-Brückenausgang
- PARA-IN-Antriebsmodus
- Eingebaute Rauschmaskierungsfunktion (externer Rauschfilter ist nicht erforderlich)
- Funktionsumfang für Voll-, Halb- (zwei Arten) und Viertelschritte
- Funktion zur Zeitauswahl der offenen Erkennungsmaske
- Strombegrenzungsfunktion Maskenzeit
- Integrierter Pulldown-Widerstand im Logikeingang
- Power ON Reset (POR)-Schaltung
- Thermische Abschaltschaltung (TSD)
- Überstromschutzschaltung (OCP)
- Offener Fehlererkennungsschaltkreis
- Diagnose-Ausgangsschaltung (Open-Drain-Ausgang)
- Ultradünnes und hochwärmeabstrahlendes Gehäuse (freiliegendes Metall)
Applikationen
- Abgasrückführventil (EGR)
- Drucker
- PPC
- Scanner
- Überwachungskamera
- Nähmaschine
- Roboter
Technische Daten
- Eingangsspannung 35 V
- Ausgangsstrom ±1,8 A/Phase
- On-Widerstand am Ausgang 0,35 Ω
- -40 °C bis 125 °C Betriebstemperaturbereich
Blockdiagramm
Typische Applikationsschaltung
Veröffentlichungsdatum: 2025-07-22
| Aktualisiert: 2025-08-04
