ROHM Semiconductor BD630xx Bürstenlose Dreiphasen-Motortreiber
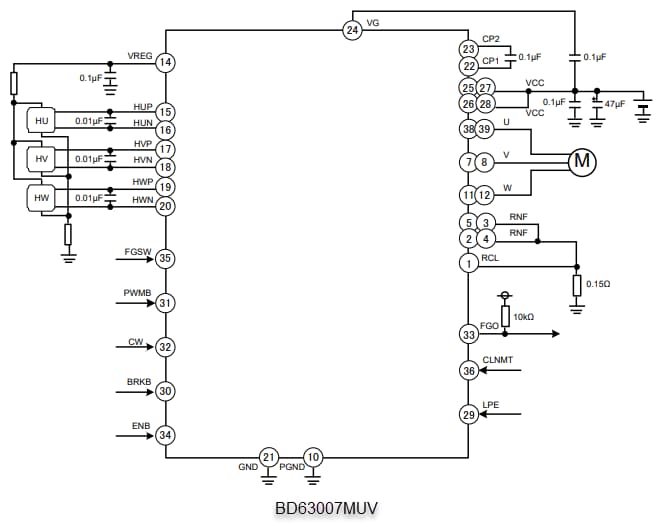
Die bürstenlosen Dreiphasen-Motortreiber BD630xx von ROHM Semiconductor werden mit Hall-Sensoren geliefert, die PWM-Treibersignale erzeugen. Diese Motortreiber bieten einen Frequenzgenerator-Ausgang (FG) und verfügen über verschiedene Steuer- und Schutzschaltungen. Die Motortreiber der Baureihe BD630xx von ROHM Semiconductor sind in zwei Varianten erhältlich: als Treiber BD63007MUV und BD63015EFV.Der BD63007MUV Treiber verwendet eine Logikschaltung mit 120°-Kommutierung und bietet einen DMOS-Ausgang mit niedrigem Einschaltwiderstand. Dieser Treiber bietet eine Uhrzeigersinn(CW)-/gegen den Uhrzeigersinn(CCW)-Funktion und eine kurze Bremsfunktion.
Der BD63015EFV Treiber ist ein sinusförmiger Motortreiber, der das Eingangs-DC-Spannungssignal zur Steuerung der Drehgeschwindigkeit verwendet. Dieser Treiber ist in einem kleinen HTSSOP-B20-Gehäuse verfügbar, das sich für Motormodule mit einem kleinen Durchmesser eignet.
Merkmale
- BD63007MUV Motortreiber
- Integrierte Logikschaltung mit 120°-Kommutierung
- PWM-Steuermodus (niedrige Seitenarmschaltung)
- Integrierte Stromsparschaltung
- CW/CCW-Funktion
- Kurze Bremsfunktion
- FG-Ausgang (1FG/3FG-Umwandlung)
- BD63015EFV Motortreiber
- Sinusförmiger Antrieb
- FG-Ausgang (3FG)
- Integrierte HALL-Fehlerschutzschaltung (HALLERR)
- DC-Eingangsspannungssignal/Leistungsspannung steuert die Rotationsgeschwindigkeit
- Hall-Sensoren erzeugen PWM-Treibersignale
- DMOS-Ausgang mit niedrigem Einschaltwiderstand
- Integrierte Strombegrenzungsschaltung (CL)
- Integrierte thermische Abschaltung (TSD)
- Integrierter Überstromschutz (OCP)
- Integrierte Unterspannungssperrschaltung (UVLO)
- Integrierte Überspannungssperrschaltung (OVLO)
- Integrierte Motorverriegelungsschutzschaltung (MLP)
Applikationen
- BD63007MUV Treiber
- OA-Maschinen
- Verbraucherprodukte
- BD63015EFV Treiber
- Verschiedene Arten von Lüftermotoren für Klimaanlagen
- Verschiedene Arten von Kühlventilator-Motoren
Technische Daten
- BD63007MUV Treiber
- Netzversorgungsnennspannung: 33 V
- Dauerausgangsnennstrom: 3 A
- Ausgangseinschaltwiderstand (oben und unten insgesamt): 0,17 Ω (typisch)
- -25 °C bis +85 °C Betriebstemperaturbereich
- VQFN040V6060-Gehäuse mit den Abmessungen 6 mm x 6 mm x 1 mm
- BD63015EFV Treiber
- Netzversorgungsnennspannung: 36 V
- Dauerausgangsnennstrom: 1,5 A
- Ausgangseinschaltwiderstand (oben und unten insgesamt): 0,6 Ω (typisch)
- -40 °C bis +105 °C Betriebstemperaturbereich
- HTSSOP-B20-Gehäuse mit den Abmessungen 6,5 mm x 6,4 mm x 1 mm
Veröffentlichungsdatum: 2020-04-14
| Aktualisiert: 2024-09-26
