ROHM Semiconductor BD16951EFV-M Zweikanal-Halbbrücken-Gate-Treiber
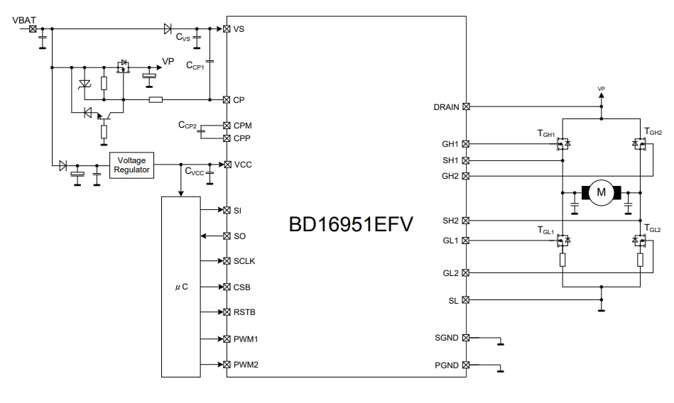
Der ROHM Semiconductor BD16951EFV-M Zweikanal-Halbbrücken-Gate-Treiber wird von einem externen MCU über eine serielle 16-Bit-Peripherieschnittstelle (SPI) gesteuert. Die unabhängige Steuerung der Low-Side- und High-side-n-MOSFETS ermöglicht Mikrocontroller-gesteuerte Modi. Dieser Treiber enthält vier externe MOSFETs, die unabhängig gesteuert werden. Die BD16951EFV-M Treiber verfügen über eine 7 MHz maximale SPI Uhr 500 kHz Schwingung für die elektrische Ladung Pumpe und 0,25μs bis 92μs Querstromschutzzeitbereich. Dieser GATE-Treiber ist AEC-Q100 qualifiziert. Der Treiber BD16951EFV-M wird in Applikationen wie Fensterheber, Schiebedachmodule, Scheibenwischer, Gurtstraffer und Sitzverstellung eingesetzt.Merkmale
- zweikanal-halbbrücken-gate-treiber
- 16-Bit-SPI
- 4 externe MOSFETs werden unabhängig gesteuert
- Halbbrücken-Steuerungsmodi werden durch SPI ausgewählt
- Die Anstiegsraten werden mit einem konstanten Quell-/Senkenstrom gesteuert
- Typische Gate-Drive-Spannung für Halbbrücke: 11 V
- Oszillation von 500 kHz für eine Ladungspumpe
- Typischer VS-Ruheversorgungsstrom: 0 μA
- Maximaler SPI-Taktgeber von 7 MHz
- Querstromschutzzeitbereich von 0,25 μs bis 92 μs
- Erhältlich in den Abmessungen 7,8 mm x 7,6 mm x 1 mm und im HTSSOP-B24-Gehäuse
- AEC-Q100-qualifiziert
Applikationen
- Fensterheber
- Sonnendachmodule
- Schleibenwischer
- Sicherheitsgurtspanner
- Sitzverstellung
Applikations-Schaltung Diagramm
Veröffentlichungsdatum: 2025-05-16
| Aktualisiert: 2025-06-26
