RFMi PX1002 86.85MHz SAW Filter

RFMi PX1002 86.85MHz SAW (Surface Acoustic Wave) Filter provides low insertion loss and excellent selectivity in a hermetic 13.3mm x 6.5mm (SM13365-12) SMD package. Operating in a -20°C to +70°C temperature range, the components feature an unbalanced input and output with a 30VDC maximum DC voltage between any two terminals. The PX1002 SAW filter is designed for TDMA IS-54 receiver IF applications.

Features

  • Low insertion loss
  • Excellent selectivity
  • Hermetic 13.3mm x 6.5mm surface-mount package
  • Unbalanced input and output
  • Complies with Directive 2002/95/EC (RoHS)
  • Designed for TDMA IS-54 receiver IF applications

Applications

  • BTS, small cell, repeater
  • Gateway, router, access point
  • Backhaul radio
  • 5G, IoT
  • Automotive
  • High reliable terminals

Specifications

  • +10dBm maximum incident power in passband
  • Temperature ranges
    • -20°C to +70°C operating
    • -40°C to +85°C storage
  • 30VDC maximum DC voltage between any 2 terminals
  • 86.850MHz nominal center frequency
  • SM13365-12 13.3mm x 6.5mm nominal footprint case style
  • Materials
    • AI2O3 ceramic body
    • 2.0µm to 3.0µm nickel lid plating
    • 0.3µm to 1.0µm gold solder pad plating over 1.27µm to 8.89µm nickel

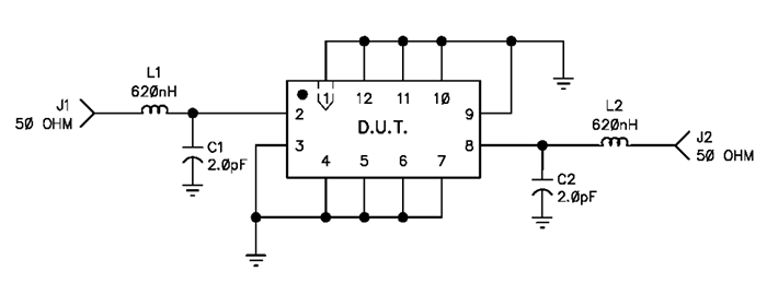
Schematic

Schematic - RFMi PX1002 86.85MHz SAW Filter
Veröffentlichungsdatum: 2021-01-18 | Aktualisiert: 2024-04-09