Renesas Electronics RAA306012 Smart-Dreiphasen-Gate-Treiber

Der Renesas Electronics RAA306012 Smart-Dreiphasen-Gate-Treiber ist für den Einsatz eines bürstenlosen Dreiphasen-DC-Motors ausgelegt. Der RAA306012 von Renesas Electronics enthält drei Halbbrücken-Gate-Treiber, die bis zu drei n-Kanal-MOSFET-Brücken mit einem Spannungsbereich von 6 V bis 65 V ansteuern können. Jeder Treiber unterstützt einen Quellen- und Senken-Spitzenantriebsstrom von 0,64 A bzw. 1,28 A, der über eine Antriebsstärkensteuerung einstellbar ist. Adaptive Totzeiten verbessern die Robustheit und verhindern Miller-Effekt-induzierte Querströme. Das Bauteil enthält Netzteile für interne Schaltungen, Gate-Treiber und eine dedizierte Versorgung für externe Mikrocontroller. Darüber hinaus verfügt es über einen stromsparenden Ruhemodus, der nur 28μA für eine längere Batterielaufzeit in tragbaren Applikationen verbraucht.

Merkmale

  • Versorgungsspannung
    • VBRIDGE: 6 V bis 65 V (78 V absolutes Maximum)
    • VM: 6 V bis 60 V (65 V absolutes Maximum)
  • -40°C bis 125°C Betriebsumgebungstemperatur
  • Dreiphasen-Gate-Treiber für BLDC-Applikation
    • Schaltfrequenzbereich von bis zu 200 kHz
    • Spitzen-Quellen-/Senkenstrom von 0,64 A bzw. 1,28 A mit 16 einstellbaren Treiberstärken über SPI-Schnittstelle
    • Adaptive und einstellbare Totzeit
  • Flexible Konfiguration für Gate-Treiber
    • Dreiphasen-HI/LI-Modus und Dreiphasen-PWM-Modus
    • Eingangssteuerungs-Signalkonfiguration
    • Unterstützt Halbbrücken-, Vollbrücken-Konfiguration
  • Vollständig integrierte Stromversorgungsarchitektur
    • Zwei VCC -LDOs ermöglichen den Ruhemodus mit niedrigem IQ
    • Der Abwärtsschaltregler von 500 mA erzeugt eine Antriebsspannung (5 V bis 15 V einstellbar)
    • Einstellbarer Ausgangs-LDO für MCU-Versorgungen von 100 mA
  • Drei präzise Differentialverstärker
    • Vier Stufen der Messverstärkungseinstellung
    • Unterstützt DC-Offset-Kalibrierung während des Einschaltens und während des Betriebs
  • BEMF-Messverstärker für sensorlosen Motorantrieb
  • Drei Komparatoren für Hall-Sensor-Motorantrieb
  • Integrierte Schutzfunktionen
    • VM-Über-/Unterspannungssperre (VM_OV/UVLO)
    • Ladungspumpen-Unterspannung (VCP_UV)
    • Abwärtsreglerfehler (VDRV_OV/UV, SR_OCP)
    • MOSFET-VDS-OCP (VDS_OCP)
    • Strommess-OCP (CS_OCP)
    • MOSFET-VGS-Fehler (VGS_FAULT)
    • Thermische Warnung/Abschaltung (TWARN/OTSD)
    • Fehleranzeige (nFAULT-Pin)
  • 48-Ld-QFN-Gehäuse (0,5 mm Rastermaß) von 7 mm x 7 mm

Applikationen

  • Elektrowerkzeuge und Gartenwerkzeuge
  • Drucker
  • Staubsauger
  • Lüfter
  • Pumpen
  • Robotik

Videos

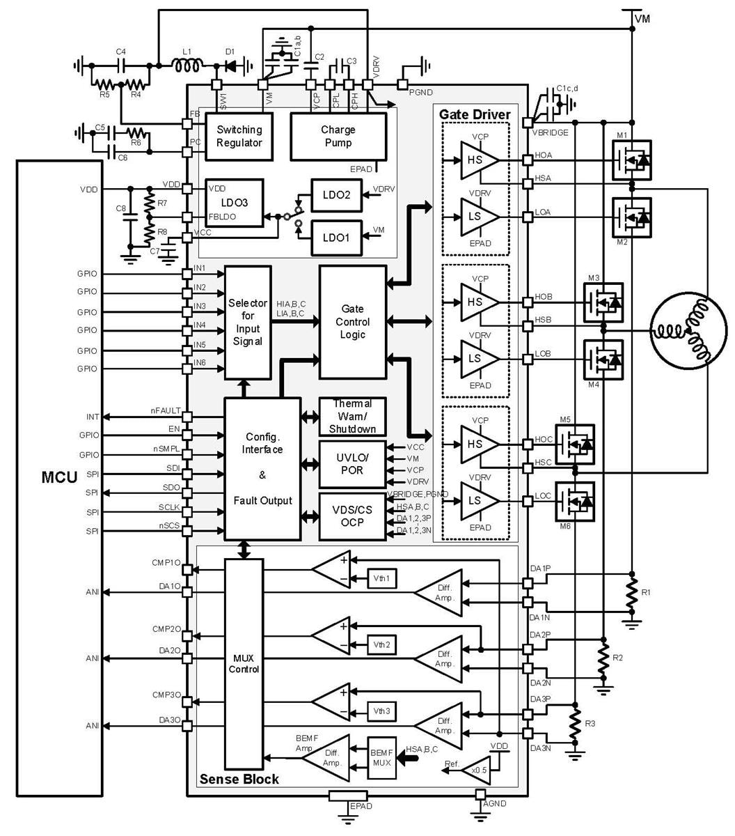
Typische Applikations-Schaltungen

Applikations-Schaltungsdiagramm - Renesas Electronics RAA306012 Smart-Dreiphasen-Gate-Treiber
Veröffentlichungsdatum: 2023-12-05 | Aktualisiert: 2024-02-07