Renesas Electronics RAA271082 Leistungsmanagement-IC (PMIC)
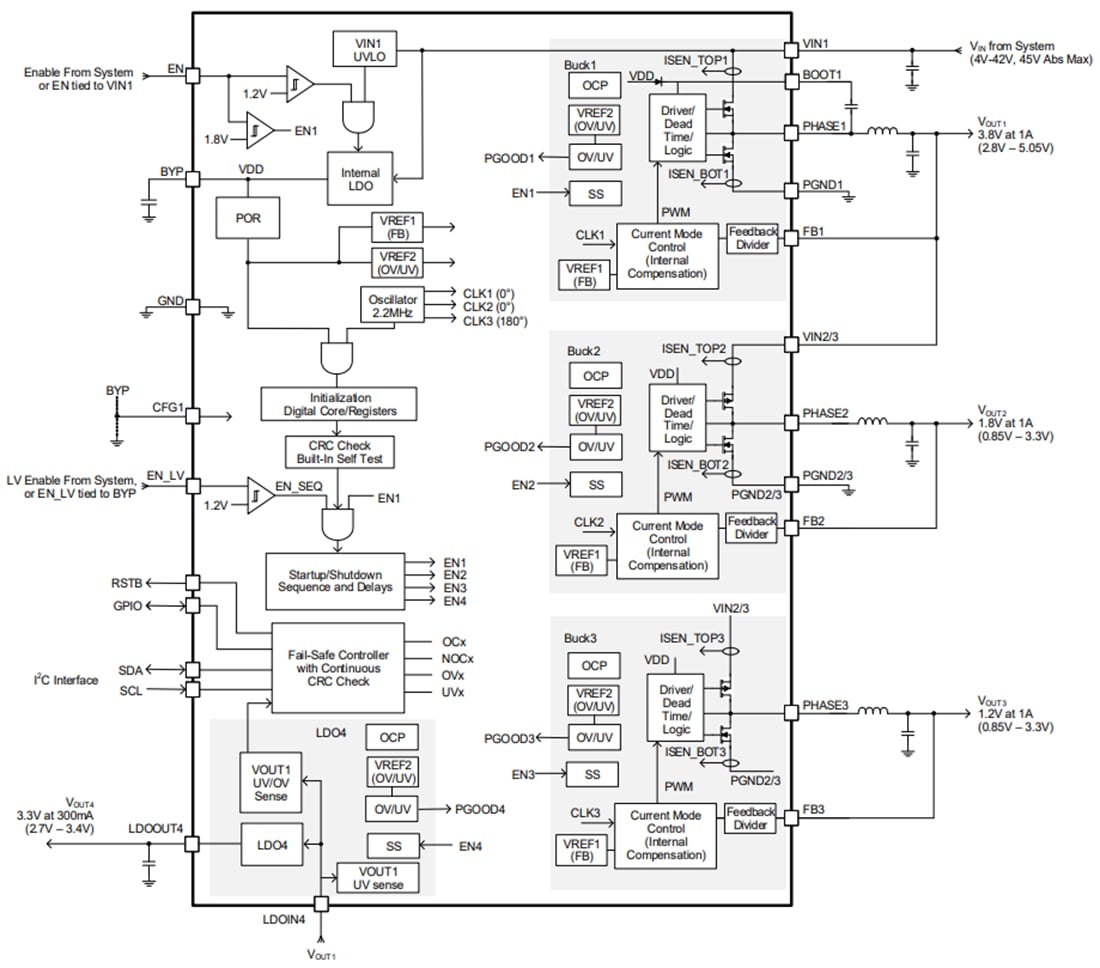
Renesas Electronics RAA271082 Leistungsmanagement IC (PMIC) ist ein vielseitiger Multi-Rail-Leistungs-IC, bestehend aus einem primären Hochspannungs-Synchron- Abwärtsregler einem LDO Regler und zwei sekundären Niederspannungs-Synchron- Abwärtsregler. Der Renesas PMIC bietet vier Unterspannungs- und Überspannungsmonitore einen universellen I/O- Pin, I2C -Kommunikation und einen dedizierten Reset- Ausgang/Defekt. Der RAA271082 erfüllt die ASIL-B- Gerätemetriken und wurde unter Verwendung eines ASIL-D ISO 26262 -Entwicklungsprozesses entworfen. Der RAA271082 beinhaltet einen eingebauten Selbsttest beim Einschalten, eine unabhängige OV/UV-Überwachung, eine zweite Bandlücken-Referenz für die OV/UV-Überwachung sowie eine kontinuierliche CRC-Fehlerprüfung bei der 2C-Kommunikation und den internen Registern.Der RAA271082 bietet eine Leistungslösung mit hoher Dichte, die eine minimale Boardfläche und eine geringe Anzahl externer Komponenten erfordert. Er bietet einen umfangreichen Funktionssatz, der mit einem internen One-Time-Programmierbaren Speicher (OTP) konfiguriert ist. Fast alle Bauteiloptionen, wie z. B. die Leistungssequenzierung jeder Ausgangsspannungsauswahl und die OV/UV-Schwellwerte, erfordern keine externen Komponenten zur Auswahl und sind intern konfiguriert. Die Regler bieten eine interne Kompensation. Die Abwärtswandler können in rauen Umgebungen betrieben werden, die hohe Umgebungstemperaturen erfordern und sind synchron, um einen hohen Wirkungsgrad zu erzielen.
Der RAA271082 von Renesas Electronics verfügt über ein freiliegendes Pad für verbesserte thermische Leistungsfähigkeit und ist in einem 4 mm x 4 mm 24-Lead-Step-Cut-QFN-Gehäuse (SCQFN) verfügbar. Dieser PMIC wird über einen Umgebungstemperaturbereich von -40 °C bis +125 °C betrieben und ist gemäß Klasse 1 AEC-Q100 qualifiziert. Das Bauteil ist über einen Sperrschichttemperaturbereich von -40 °C bis +150 °C elektrisch spezifiziert.
Merkmale
- ASIL-D ISO 26262 Entwicklungsprozess
- V INBetriebsbereich von 4.0 V bis 42 V mit einem Startbereich von 4,5 V bis 42 V
- 2,2 MHz feste Schaltfrequenz mit optionaler Frequenzspreizung mit Pseudozufallsverfahren
- Drei Synchroneabwärtswandler mit interner Kompensation und einem LDO
- Abwärtswandler 1 Ausgangsbereich von 2,8 V bis 5,05 V, bis zu 1 A
- Abwärts 2/3-Ausgangsbereich von 0,85 V bis 3,3 V, bis zu 1 A
- LDO 4 Ausgangsbereich von 2,7 V bis 3,4 V, bis zu 300 mA
- OTP-UV/OV-Schwellenwerte von ±4 %, ±6 %, ±8 %% und ±12 %
- Einschalt-/Ausschaltsequenz und Verzögerung des OTP
- Optionale Ausgangsentladung auf Abwärtswandler 2, Abwärtswandler 3 und LDO 4
- Konfigurierbarer GPIO-Pin
- Duale EN-Kontakte
- Schutzmerkmale
- Eingangsspannungs-UVLO
- Ausgangs-OV/-UV
- Überstromschutz auf internen und Ausgangs-LDOs
- Übertemperaturschutz
- funktionale Sicherheitsfunktionen
- Integrierter Selbsttest (BIST) beim Einschalten
- Dual-Bandlücken/Referenzketten
- Unabhängiger UV-/OV-Messpfad für Abwärts-1-Ausgang
- Konfigurierbarer Fenster-Watchdog-Timer (WWDT)
- Kontinuierliche CRC-Überprüfung von OTP-Schattenregistern
- CRC-geschützte I2C-Kommunikation
- Konfigurierbarer Defektmanager
- AEC-Q100-Qualifizierung, Klasse 1 [-40 °C bis +125 °C (T J= 150 °C)]
Applikationen
- Treiberüberwachungskameras
- Rück- und Rundumsicht-HD-Automotive-Kameras
- Mikrocontroller-PMICs für Batteriemanagementsysteme
- Mikrocontroller-PMICs für Zonen- und Domänencontroller
- Mikrocontroller-PMICs für Gateway-Einheiten
Blockdiagramm
