Renesas Electronics RAA210130 PMBus-DC/DC-Abwärts-Netzteil
Das Renesas Electronics RAA210130 PMBus DC/DC-Abwärts-Netzteil ist ein kompaktes, einkanaliges, synchrones Abwärts-, nicht isoliertes, vollständig digitales Leistungsmodul. Dieses Stromversorgungsmodul ist in der Lage, bis zu 30 A Gleichstrom aus einem kompakten thermisch verbesserten BGA-Gehäuse zu liefern. Das RAA210130-Netzteil arbeitet im Eingangsspannungsbereich von 4,75V bis 15V, bietet einstellbare Ausgangsspannungen bis zu 0,45V und erreicht einen Wirkungsgrad von bis zu 96%. Dieses PMBus-DC/DC-Abwärts-Netzteil enthält ein fortschrittliches proprietäres Renesas digitales synthetisches Strommodulationsschema. Dieses Schema erreicht eine branchenführende Kombination aus Einschwingverhalten, einfacher Abstimmung und Wirkungsgrad über den gesamten Lastbereich.Das RAA210130 Stromversorgungsmodul unterstützt einen fortschrittlichen Soft-Start/Stopp, eine Sequenzierung und Begrenzung mit vollständig anpassbarem Über-/Unterspannungs-, Strom- und Temperaturschutz. Zu den typischen Applikationen gehören Server, Telekommunikation, Speicher, Datenkommunikation, Industrie-/ATE- und Netzwerkausrüstung sowie Universal-Leistung für ASIC, FPGA, DSP und Speicher.
Merkmale
- Vollständiges digitales Netzteil
- Einkanal-Ausgangsstrom: 30 A
- Eingangsspannung: 4,75V bis 15V (Einzelschiene)
- Wirkungsgrad von bis zu 96 %
- Fortschrittliches, lineares, digitales Modulationsschema:
- Betrieb mit fester Schaltfrequenz bis zu 1,25 MHz
- Dual-edge-modulation mit optionalem Diodenbremsen für ein schnelleres Einschwingverhalten
- Hervorragende VOUT -Übergangsleistung
- Erweiterter soft-start/-Stopp, Sequenzierung und Begrenzung
- Vollständig anpassbare Schutzfunktionen für Über- und Unterspannung, Strom und Temperatur
- Programmierbare Ausgangsspannung:
- Ausgangsspannungseinstellungen: 0,45 V bis 3,3 V
- Genauigkeit für Leitung, Last und Temperatur: ±0,7 %
- PMBus V1.3-kompatibel:
- Über PMBus vollständig programmierbar
- Bis zu 16 Benutzerkonfigurationen gespeichert im nichtflüchtigen Speicher (NVM) des Bauteils
- Echtzeit-Telemetrie für VIN, VOUT, IOUT, Temperatur, Tastverhältnis und fSW
- Black-Box-Statusaufzeichnung mit erster Fehleranzeige
- 10 mm x 13 mm x 7,8 mm BGA-Gehäuse
Applikationen
- Server, Telekommunikation, Speicher und Datenkommunikation
- Industrie-/ATE- und Netzwerkanlagen
- Universal-Leistung für ASIC, FPGA, DSP und Speicher
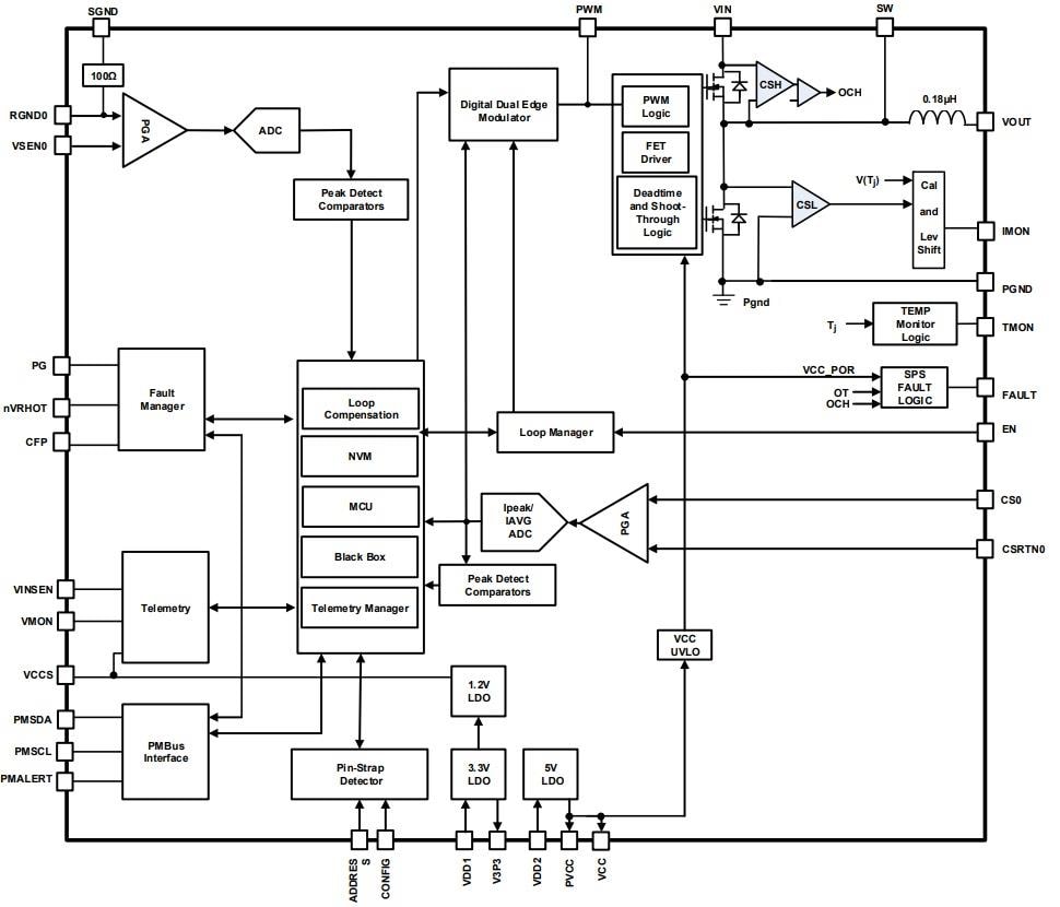
Blockdiagramm
Veröffentlichungsdatum: 2023-05-29
| Aktualisiert: 2023-05-29
