Renesas Electronics ISL9241 Konfigurierbares Auf-/Abwärtswandler-Ladegerät
Das Renesas Electronics ISL9241 konfigurierbare Auf-/Abwärtswandler-Ladegerät unterstützt sowohl das direkte Laden mit geringem Spannungsbereich (NVDC) als auch das hybride Laden mit Auf-/Abwärtswandlung (HPBB/Bypass). Diese Ladegeräte können über die Firmware-Steuerung zwischen den Modi umschalten. Die ISL9241 Batterieladegeräte unterstützen außerdem mit der Firmware eines Controllers den Bypass-Modus, wodurch der Adapter den Strom direkt zum System liefern kann. Durch ausschließliche Verwendung von NFETs bieten diese Ladegeräte die Ladefunktion, Systembusregelung und Schutzfunktionen für Tablet-, Ultrabook- und Notebook-Plattformen. Die ISL9241 Ladegeräte nehmen den Eingangsstrom aus einer großen Auswahl von DC-Leistungsquellen, einschließlich herkömmlicher AC/DC-Ladeadapter, USB-Typ-C-Leistungsanschlüsse und Reiseadapter. Diese Bauteile können sicher Akkus mit bis zu vierzelligen Li-Ionen-Batterien aufladen.Merkmale
- Auf-/Abwärtswandler-NVDC oder hybrides (Turbo-Boost) Leistungs-Ladegerät für zwei-, drei- oder vierzellige Li-Ion-Batterien mit allen NFET-Transistoren
- Bypass-Modus-unterstützt für die Verbindung des Systems mit dem Adapter
- Autonome Lademöglichkeit (automatische Beendigung des Ladevorgangs)
- Adapterstrom und Batteriestromüberwachung (AMON/BMON)
- PROCHOT# Open-Drain-Ausgang, IMVP-konform
- Systemleistungsüberwachungs-PSYS-Ausgang und IMVP8/9-kompatibel
- Interner 8-Bit-ADC zur Überwachung von Schlüsselparametern
- Unterstützung für schnelle USB-C-PD-Rollentauschfunktion und PPS-Unterstützung
- Unabhängige Kompensationspins für Vorwärts- und Rückwärts-Betriebsmodi (OTG)
- Unterstützt zusätzliche Leistung (Intel aktiver VMIN-Schutz)
- Batterietransportmodus mit IC im extrem stromsparenden Modus
- Unterstützt JEITA-Einhaltung mit einem NTC
- 4 X 4 32-Ld-TQFN-Gehäuse
Technische Daten
- Eingangsspannungsbereich: 3,9 V bis 23,4 V (keine Totzone)
- 3,9 V bis 18,304 V System-/Batterie-Eingangsspannung
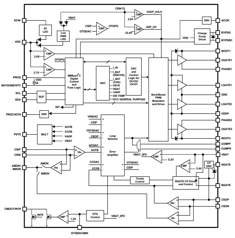
ISL9241 Blockdiagramm
ISL9241 Applikations-Schaltungs-Diagramm
Veröffentlichungsdatum: 2018-12-18
| Aktualisiert: 2023-02-15
