Renesas Electronics ISL9005A Low-Dropout-Linearregler

Renesas ISL9005A Low-Dropout-Linearregler bieten eine hohe Leistungsfähigkeit und sind in der Lage, 300 mA Strom zu beziehen. Die ISL9005A LDOs verfügen über einen niedrigen Standby-Strom und einen hohen PSRR von 75 dB und sind mit einer Ausgangskapazität von 1 µF bis 10 µF mit ESR von bis zu 200 mΩ stabil. Der ISL9005A ist eine ideale Wahl für tragbare drahtlose Ausrüstungen, wenn er mit einem Nulllast-Ruhestrom von 50 µA (typisch) und einem Abschaltstrom von 0,1 µA gekoppelt wird.

Mehrere verschiedene feste Spannungsausgänge sind Standard und die Ausgangsspannungsoptionen für jeden LDO-Bereich reichen von 1,5 V bis 3,3 V.

Merkmale

  • 300-mA-Hochleistungs-LDO
  • Hervorragendes Einschwingverhalten auf große Stromstufen
  • Eine ausgezeichnete Lastregelung von < 0,1 % Spannungsänderung über den gesamten Laststrombereich
  • Hohe PSRR: 75 dB bei 1 kHz
  • Große Eingangsspannung: 2,3 V bis 6,5 V
  • Sehr niedriger Ruhestrom von 50 µA
  • Niedrige Dropout-Spannung: 200 mV bei 300 mA (typisch)
  • Geringes Ausgangsrauschen: 45 µVRMS bei 100 µA (1,5 V) (typisch)
  • Stabil mit 1-µF - bis 10-µF-Keramikkondensatoren
  • Soft-Start zur Begrenzung des Eingangsstoßstroms während der Freigabe
  • Strombegrenzung und Überhitzungsschutz
  • ±1,8 % Genauigkeit über alle Betriebsbedingungen
  • Winziges 8-Ld-DFN-Gehäuse von 2 mm x 3 mm
  • Betriebstemperaturbereich: -40 °C bis +85 °C
  • Bleifrei (RoHS-konform)

Applikationen

  • PDAs, Handys und Smartphones
  • Tragbare Instrumente, MP3-Player
  • Tragbare Geräte, einschließlich medizinische Handhelds

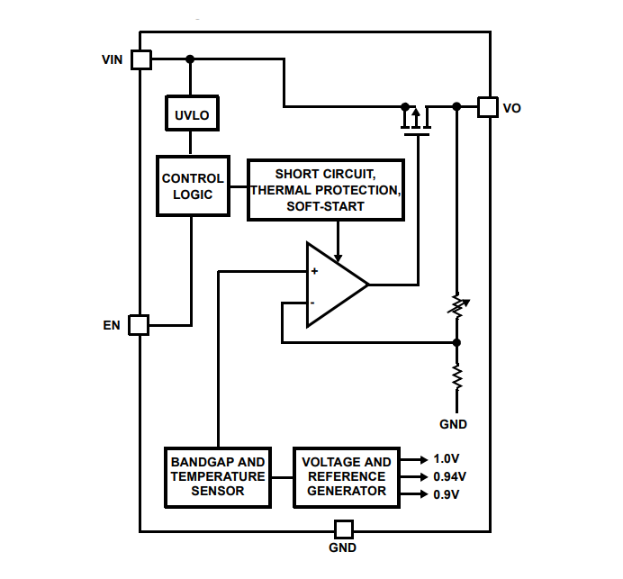
Blockdiagramm

Blockdiagramm - Renesas Electronics ISL9005A Low-Dropout-Linearregler
Veröffentlichungsdatum: 2019-12-03 | Aktualisiert: 2023-10-02