Renesas Electronics ISL8801x 5-Ld-Spannungswächter
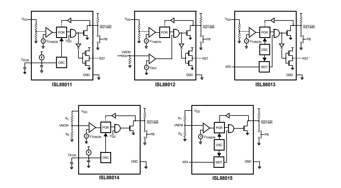
Die ISL8801x 5-Ld-Spannungswächter von Renesas/Intersil bieten sowohl eine feste als auch einstellbare Spannungsüberwachung, die gängige Funktionen in einem kleinen 5-Ld-SOT-23-Gehäuse kombinieren. Diese Funktionen umfassen Einschalt-Reset-Steuerung, Watchdog-Timer, Versorgungsspannungsüberwachung und manuelle Reset-Assertion.Zu den einzigartigen Funktionen des ISL88013 gehören ein Watchdog-Timer mit einem Einschalt-Timeout von 51 Sek. und einer normalen Timeout-Dauer von 1,6 Sek. Die ISL88011 und ISL88014 bieten durch Hinzufügen eines externen Kondensators auf dem CPOR-Pins eine Option zur Erhöhung der Verzögerung des Einschalt-Reset-Timeouts. Komplementäre Active-Low- und Active-High-Reset-Ausgänge sind auf den ISL88011 und ISL88013 Bauteilen verfügbar. Alle ISL8801x 5-Ld-Spannungswächter verfügen über eine manuelle Reset-Funktion. Der ISL88014 verfügt über einen benutzereinstellbaren Spannungseingang für die benutzerdefinierte Überwachung aller Spannungen bis hinunter zu 0,6 V.
Die ISL8801x 5-Ld-Spannungswächter sind speziell für einen geringen Stromverbrauch und eine hohe Schwellenwertgenauigkeit ausgelegt.
Merkmale
- Einzel-/Dual-Spannungsüberwachungen
- Feste Spannungsoptionen ermöglichen eine präzise Überwachung von +2,5 V, +3,0 V, +3,3 V und +5,0 V Netzteilen
- Dual-Wächter verfügen über einen festen und einen benutzereinstellbaren Spannungseingang von bis hinunter zu 0,6 V
- Sowohl RST als auch RST-Ausgänge sind verfügbar
- Einstellbare POR-Timeout-Verzögerungsoptionen
- Watchdog-Timer mit normaler Timeout-Dauer von 1,6 Sek. und Einschalt-Timeout-Dauer von 51 Sek.
- Manueller Reset-Eingang auf allen Bauteilen
- Reset-Signal gültig bis VDD = 1 V
- Genauer Spannungsschwellenwert von ±1,5 %
- Immun gegen Stromversorgungs-Transienten
- Extrem niedriger Versorgungsstrom von 5,5 µA
- Kleines bleifreies 5-Ld-SOT-23-Gehäuse
- Bleifrei (RoHS-konform)
Applikationen
- Prozesssteuerungssysteme
- Intelligente Instrumente
- Embedded-Steuersysteme
- Computersysteme
- Kritische µP- und µC-Leistungsüberwachung
- Tragbare/batteriebetriebene Geräte
- PDA- und Handheld-PC-Geräte
Funktionale Blockdiagramme
